onsemi NCV51563絶縁デュアルチャンネルゲートドライバは、2つの独立した5kVRMS (UL1577定格)ガルバニック絶縁ゲートドライバチャンネルを実現しています。これらのチャンネルには、2つのローサイドスイッチ、2つのハイサイドスイッチ、またはプログラマブルデッドタイムが備わったハーフブリッジドライバの多くの可能な構成があります。
NCV51563には、ゲートドライバとデッドタイム調整機能の両方を対象とした独立した低電圧ロックアウトを始めとする、数多くの保護機能があります。
特徴
- 柔軟性に富んだデュアル下側、デュアル上側、またはハーフブリッジゲートドライバ
- 4.5Aのピークソース、9Aのピークシンク出力電流能力
- 両方の出力ドライバの独立したUVLO保護
- 6.5V ~30Vの出力電源電圧(MOSFET用5V、8V)、13Vおよび17Vの UVLO (SIC用、閾値付き)
- コモンモード過渡耐性CMTI > 200V/ns
- 伝搬遅延標準36ns
- 1チャンネルあたり5nsの最大遅延マッチング
- 5ns(最大)のパルス幅歪み
- ユーザーによるプログラムが可能な入力ロジック
- ANBを介したシングルまたはデュアル入力モード
- ENABLEまたはDISABLEモード
- ユーザーがプログラミングできるデッドタイム
- 車載アプリケーション条件でAEC-Q100認定
- 絶縁性と安全性
- 1分間で5kVRMS 絶縁(UL1577要件に準拠)
- 8000VPK強化絶縁電圧(VDE0884-11要件による)
- GB4943.1-2011に沿ったCQC認証
- IEC 62386-1に準じたSGS FIMO認証
- 無鉛デバイス
アプリケーション
- オンボードチャージャー
- XEV DC/DCコンバータ
- トラクション・インバータ
- 充電ステーション
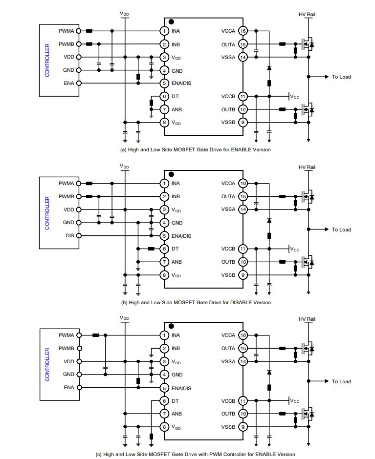
標準アプリケーション回路
ブロック図
公開: 2022-08-23
| 更新済み: 2023-08-11

