onsemi NCV57001F IGBTゲートドライバ
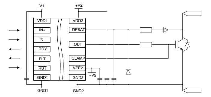
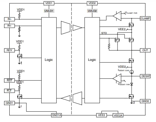
Onsemi NCV57001F IGBTゲートドライバは、大電流シングルチャンネルIGBTドライバで、高システム効率と信頼性を目的に設計された内部ガルバニック絶縁が備わっています。このゲートドライバには、相補入力、障害およびReadyオープンドレイン出力、アクティブ・ミラー・クランプ、正確なUVLO、DESAT保護、DESATのソフトターンオフといった機能があります。Onsemi NCV57001F IGBTゲートドライバは、負の電圧機能をはじめとする広いバイアス電圧範囲をドライバ側での5Vおよび3.3V信号に対応しています。このゲートドライバは、> 5kVrms ( UL1577定格)ガルバニック絶縁および1200Viorm (動作電圧)機能を実現しています。代表的なアプリケーションには、車載電源、ハイブリッド/電気自動車(HEV/EV) パワートレイン、BSGインバータ、正の温度係数(PTC) ヒーターがあります。特徴
- IGBTミラープラトー電圧で大電流出力(4A/-6A)
- 強化されたIGBT駆動用低出力インピーダンス
- 正確なマッチングによる短伝播遅延
- スプリアスGATEターンオンを防止するアクティブミラークランプ
- プログラマブル遅延でのDESAT保護
- IGBT短絡時の標準550nsソフト電源OFF
- 短絡時のIGBTゲートクランプ
- IGBTゲート・アクティブ・プルダウン
- バイアスに柔軟性が得られるタイトなUVLO閾値
- 負のVEE2 を含む広いバイアス電圧範囲
- 入力電源電圧範囲 3.3V~5V
- (UL1577要件を満たす)5000Vガルバニック絶縁
- 1200V作動電圧(VDE0884-10要件に準拠)
- 高過渡耐性
- 高電磁気耐性
- デバイスは、無鉛、ハロゲンフリー/BFRフリーで、RoHS準拠に準拠しています。
- AEC-Q100認定およびPPAP対応
アプリケーション
- 車載電源
- HEV/EVパワートレイン
- BSGインバータ
- PTCヒーター
ブロック図
簡略化アプリケーション回路
公開: 2020-06-02
| 更新済み: 2024-06-10
