onsemi NCV7390 CANインターフェイスIC
onsemi NCV7390 CANインターフェイスICは、国際標準化機構規格ISO11992-1に準拠したシステム向けに設計されています。このトランシーバICは、牽引車両と被牽引車両あるいはその他の同じような自動車アプリケーション間において、2個の接続(ポイント・ツー・ポイント)のシリアルデータのやりとりに使用されます。NCV7390トランシーバは、コントローラ・エリア・ネットワーク(CAN)プロトコル・コントローラと物理バスとの間のインターフェイスです。このデバイスには差動送信機能がありますが、エラー状態では単線トランスミッタおよび/またはレシーバへ切り替わります。NCV7390インターフェイスICは、12Vおよび24Vバッテリシステム・アプリケーションに適しています。このCANインターフェイスICは、電磁放射 (EME) が非常に低く、優れたレベルの電磁感受性に到達可能で、地面上掃引に強く、熱放射特性に優れています。NCV7390インターフェイスICは、AEC-Q100認定済み、PPAP対応、鉛フリーです。このICは、車載ネットワーキング、自動車、トラックとトレーラーのインターフェイスとして最適です。特徴
- 国際標準化機構規格ISO11992-1に準拠したシステム向けの設計を採用
- 12Vおよび24Vバッテリシステム・アプリケーションに最適
- エラー検出回路、および単線で動作する機能
- 低電流消費とバス経由のウェイクアップ機能を備えたスリープモード
- VCC ピンは、3V〜5Vマイクロコントローラとのインターフェイスに使用可能
- 電磁放射 (EME) が非常に低く、優れたレベルの電磁感受性に到達可能
- 地面上掃引に強い
- あらゆる電源状態においてチップは予測可能な動作を提供
- 熱保護
- AEC-Q100認定およびPPAP対応
- 無鉛デバイス
アプリケーション
- 車載
- トラックとトレーラー間のインターフェイス
- 車内ネットワーク
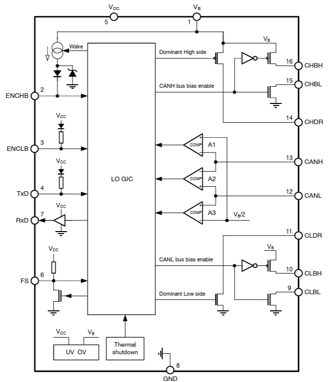
ブロック図
公開: 2025-07-08
| 更新済み: 2025-07-15
