onsemi NCV75215超音波測定ASSP
onsemi NCV75215 超音波駐車距離測定アプリケーションに特化した標準製品 (ASSP) は、正確な障害物距離測定を提供することで、車両駐車支援システムを強化するように設計されています。圧電超音波トランスデューサーを利用することで、オンセミ (onsemi) NCV75215は、高い感度と低ノイズで動作し、0.25mから4.5mまでの障害物の検出を可能にします。このデバイスは、プログラマブル周波数でトランスデューサを駆動し、受信したエコーを処理し、飛行時間(TOF)測定によって障害物までの距離を決定します。このコンポーネントは、トランスデューサ性能のための調整可能なゲイン制御、音響ノイズ監視、診断機能が特徴です。さらに、NCV75215には、構成設定とユーザーデータ用のEEPROMメモリが搭載されており、信頼性が高くカスタマイズ可能な動作が保証されます。このASSPは、自動車駐車支援アプリケーションに最適で、正確かつ信頼性の高い距離測定を提供し、駐車中の安全性と利便性を向上します。特徴
- 測定距離範囲: 0.25m ~4.5m ( 外付け部品によって異なる)
- 音響ノイズの監視
- トランスデューサ共振期間の測定
- トランスデューサ性能の診断
- 接合部温度モニタリングサーマルシャットダウン
- トランスデューサ中央周波数範囲: 35kHz ~90kHz
- 直接および間接測定モード
- 設定とユーザーデータの設定用EEPROMメモリ
- 0.5dBステップでの50dB ~110dB調整可能Rxゲイン範囲
- 感度制御のための時間依存閾値
- 動的(時間依存)ゲイン制御
- 調整可能なTx電流範囲: 50mA ~350mA
- プログラマブル超音波バースト長
- オンチップ双方向I/Oライン
- 小型TSSOP16パッケージ
- AEC-Q100認定およびPPAP対応
- リードフリー、RoHS準拠
アプリケーション
- 自動車用パーキングアシスト
- 自動車用緊急ブレーキ
- 自動車の死角検出
- 超音波距離測定
仕様
- 電源電圧範囲:6VDC ~ 18V DC
- 最大合計電源電圧消費電流
- 通常モードで8mA、伝送なし
- 低電力モードで1mA
- 低電力モードから通常モードへの最大ウェイクアップ時間1ms
- レシーバアンプ
- 87kΩ標準入力抵抗
- 100pF標準入力容量
- 50dB ~ 110dBプログラム可能なレシーバゲイン
- 0.5dB標準レシーバゲインステップ、127ステップ
- 帯域幅: 35kHz ~ 90kHz
- トランスデューサドライバ
- 50mA ~350mAプログラム可能なトランスミッタ電流範囲
- 4.76mA標準トランスミッタ電流ステップ、63ステップ
- トランスミッタ電流公差: ±20%
- 9.7MHz ~10.3MHz内部発振器周波数
- EEPROM
- 15年の最小データ保持時間
- 最低100サイクルの書き込み耐久性
- 1Mサイクルのリフレッシュ/読み取り耐久性
- 最大ESD機能
- 2kV人体モデル(HBM)
- 500V充電デバイスモデル(CDM)、すべてのピン
- 750V充電デバイスモデル(CDM)、コーナーピン
- 最大ラッチアップ耐性
- 200mA(+25°C時)
- 100mA(+125°C時)
- 135°C/W接合部対空気熱抵抗
- 温度
- +125°C最大接合部
- +260°C最大リードハンダ付け
- バイアス下での-40°C ~+85°C周囲範囲
- バイアス下での-40°C ~ +125°C接合部範囲
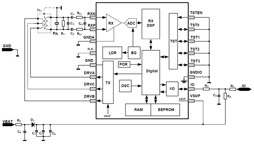
アプリケーション図
I/O ラインドライバ 構造/ 外部ネットワーク
公開: 2025-04-29
| 更新済み: 2025-12-04
