onsemi NCV76124 シグナルコンディショニングセンサ
onsemi NCV76124 シグナルコンディショニングセンサは、車載アプリケーションにおける雨および光の検出用に設計されたインターフェイスチップです。このセンサは、雨と光の信号の特性を把握するフォトダイオード電流を測定し、要求に応じて変換された信号をSPI(シリアル・ペリフェラル・インターフェイス)を介してマスターマイクロコントローラーに伝送します。雨の測定データはレインワイパーの制御に利用できます。一方、光度信号は、ディスプレイやヘッドランプなどの輝度制御のために利用されます。SPIのプログラマビリティにより、さまざまなアプリケーションに対応できる単一のハードウェア構成が可能になります。簡単なSPI制御を備えたonsemi NCV76124 シグナルコンディショニングセンサは、最小限のソフトウェアのオーバーヘッドしか必要としません。高ダイナミックレンジを持つ、より多くのセンサチャンネルを供給し、最新の車両向けに高性能で安全なソリューションを構築します。
特徴
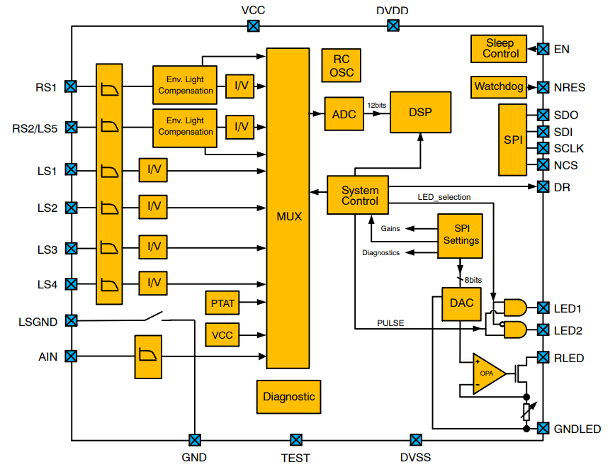
- プログラマブルゲインのトランスインピーダンスアンプ(TIA)を介して、雨および光センサフォトダイオードの電流を電圧に変換
- 2つの外部LEDのパルス電流振幅を制御
- 4つ(オプションで5つ)の光センサ信号の定期測定
- 環境光キャンセル回路を備えた2つ(オプションで1つ)の雨センサ信号の定期測定
- 雨チャンネルの環境光測定
- ダイ温度の測定
- パワーオンリセットとウォッチドッグ機能
- 低消費電流のスタンバイモードとスリープモード
- システムクロック用のオンチップ発振器
- SPIインターフェイス
- ASIL-Bに準じた診断回路
- ASIL-Aに準拠した雨チャンネル
- 固有のサイトと制御変更要件を必要とする車載用およびその他のアプリケーションを対象としたNCVプレフィックス ( AEC-Q100認定済でPPAP対応)
- 無鉛、RoHS準拠
アプリケーション
- ワイパー用雨センサ
- 周囲光センサ
- フロント照明
- ヘッドアップディスプレイ
標準アプリケーション図
ブロック図
公開: 2025-04-22
| 更新済み: 2025-04-29
