onsemi NCV7718B/C Hexハーフブリッジドライバ
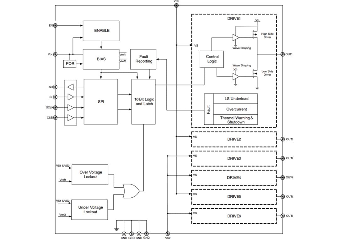
onsemi NCV7718B/C Hexハーフブリッジドライバは、12台のDMOSパワードライバ(うち6台はハーフブリッジ構成)で構成されており、3種類の独立したフルブリッジ動作を実現しています。各出力ドライブには、最大550mA DC負荷および2Aサージ能力が備わっています。NCV7718B/Cは、車載および産業モーション制御アプリケーション向けに特別に設計されている保護機能を実現しています。NCV7718B/Cには、独立した制御と診断があります。このデバイスは、順方向、逆方向、ブレーキ、高インピーダンス状態で動作できます。これらのドライバは、5MHz 16ビットSPIインターフェイス経由で制御されており、ディジーチェーンに対応しています。NCV7718B/C Hexハーフブリッジドライバは、24リード収縮小型外形パッケージ(SSOP)で販売されており、スタンダードおよび露出パットバージョンがあります。このデバイスは、車載アプリケーションでの使用を目的としたAEC−Q100の認定を受けており、PPAPに対応しています。
特徴
- 低自己消費電流スリープモード
- ハーフブリッジ構成での高圧側ドライバと低圧側ドライバの接続
- 統合低圧側・高圧側フリーホイーリング保護
- 0.55Aピーク電流
- RDS(on) = 1Ω(標準)
- 5MHz SPI制御
- 3.3Vおよび5V.0システムに準拠
- 低電圧および過電圧ロックアウト
- 障害レポートの識別
- 過電流保護
- 過熱保護
- 不足負荷検出(LS)
- 複数の8ビットデバイスとの互換性があるデイジーチェーン
- 16ビットフレーム検出
- ご利用可能なSSOP-24パッケージオプション:
- NCV7718B、NCV7718C: 露出パッドパッケージ
- NCV7718C: スタンダードパッケージ
- AEC-Q100認定およびPPAP対応
- 無鉛
アプリケーション
- 車載用
- 産業用
- HVACアプリケーションのDCモータ管理
ブロック図
標準アプリケーション回路
公開: 2019-09-03
| 更新済み: 2024-02-28
