onsemi NCV7725B 10チャンネル・ハーフブリッジ・ドライバ
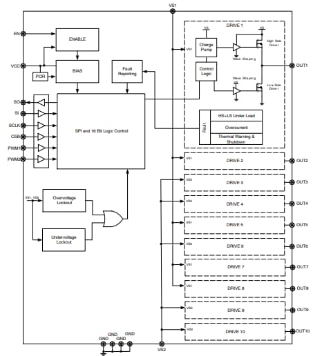
Onsemi NCV7725B 10チャンネル・ハーフブリッジ・ドライバは、自動車および産業用モーション制御アプリケーション用に特別に設計された保護機能を備えています。このドライバは、独立した制御と診断機能を提供し、前進、後進、ブレーキ、高インピーダンス状態で動作できます。Onsemi NCV7725Bハーフブリッジ・ドライバは、デイジーチェーンと互換性があり、16ビットSPIインターフェイスを通じて制御されます。ドライバの出力1および2は、外部PWM信号を通じて制御できます。このドライバは、小自己消費電流スリープモード、集積フリーホイーリング保護(LS、HS)、低電圧・過電圧ロックアウト、過電流保護、温度過昇保護にも対応します。NCV7725Bドライバは、自動車、産業、HVACアプリケーションのDCモーター管理に最適です。特徴
- 低自己消費電流のスリープモード
- ハーフブリッジ構成での高圧側ドライバと低圧側ドライバの接続
- 統合フリーホイール保護(LSおよびHS)
- 標準電流:500mA
- ピーク電流: 1.1A
- 0.8Ω 標準 RDS(on)
- OUT1およびOUT2外部PWM制御
- 5MHz SPI通信
- 16ビット・フレームエラー検出
- 複数の8ビットデバイスとの互換性があるデイジーチェーン
- 3.3Vおよび5Vシステムに準拠
- 低電圧および過電圧ロックアウト
- チャンネルごとの障害報告
- 過電流保護
- 過熱保護
- 低負荷検出(HSおよびLS)
- 露出パッドパッケージ
- 固有のサイト要件と制御変更要件を必要とする自動車およびその他のアプリケーション用のNCVプレフィックス
- AEC-Q100準拠
- PPAPに対応
- 鉛フリーデバイス
アプリケーション
- 自動車
- 産業用
- HVACアプリケーションのDCモーター管理
ブロック図
標準アプリケーション回路
公開: 2020-05-20
| 更新済み: 2024-06-06
