onsemi NCV7755オクタルハイサイドドライバ
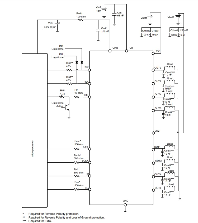
onsemi NCV7755オクタルハイサイドドライバは、車載グレード統合ドライバで、8個のハイサイドスイッチが備わっています。NCV7755によって、チャンネルあたり最大700mAの駆動能力が可能になり、過負荷および過熱状態から保護されています。各チャンネルには、誘導負荷のスイッチングと電球用の複数のスタートパルスを目的とした統合出力クランプがあります。さらに、クランプは、LED負荷用の2つの内部PWMジェネレータにマッピングできます。このデバイスには、出力制御と診断レポート用のSPIが実装されています。また、INxピンは、直接制御を目的に任意の出力にマッピングできます。専用のリンプホームモードによって、ロジック入力ピン経由で2つのハイサイドドライバの動作制御が可能になります。最適な熱性能を目的としたonsemi NCV7755は、SSOP-24露出パッドパッケージに格納されています。
特徴
- 8xハイサイドチャンネル
- リレー用(フライバッククランプ)
- 電球(複数のパルス突入方式)
- LED (内部PWMジェネレータ)
- 2.3Aピーク電流(最大)
- RDS (on) 0.9Ω (標準)、1.8Ω (最大)
- 2つの出力ペアの並列接続が可能
- SPI制御(16ビット)
- フレームエラー検出(16ビット + 8nビット)
- デイジーチェーン対応
- PWM動作のためのマッピングが備わった2本の入力ピン
- スリープモードでの低自己消費電流
- 自動再試行によるリンプホームモード
- VSで最小3Vのクランキング電圧をサポート
- 3.3Vおよび5V互換デジタル入力供給範囲
- 障害レポート:
- オープン負荷(オフまたはオン)
- 過負荷
- 過熱
- 電源障害(VS、VDD低電圧)
- GNDおよびバッテリに対する出力短絡
- 逆極性保護
- アース保護の喪失
- パワーオンリセット(VDD)
- 露出パッド付きSSOP-24
- 車載用NCVプレフィックス
- サイトおよび変更管理
- AEC−Q100認定を取得済
アプリケーション
- 車体制御装置
- 車載用エンジン制御装置
- リレードライブ
- 電球駆動
- LEDドライブ
アプリケーション図
ブロック図
公開: 2023-01-30
| 更新済み: 2023-08-08
