onsemi NCV81277A多相同期降圧コントローラ
onsemi NCV81277A自動車用、多相同期降圧コントローラは、新世代のコンピューティング/グラフィックプロセッサ向けに最適化されています。NCV81277Aは、最大4相まで駆動でき、差動電圧と位相電流センシング、適応型電圧位置決め、PWM_VIDインターフェイスを内蔵し、コンピュータまたはグラフィックコントローラ向けの正確に調整された電源を提供します。内蔵の省電力インターフェイス(PSI)により、プロセッサで、たとえば全相ON、動的位相開口、または固定低位相カウントモードの3モードのうち1モードにコントローラを設定することで、軽負荷状態での高効率を得られます。デュアルエッジPWM多相アーキテクチャにより、高速の過渡応答と良好な動的電流バランスを保証します。特徴
- NVIDIA® OVR4+仕様に準拠
- 最大位相4xをサポート
- パワーグッド出力
- 低電圧保護(UVP)
- 過電圧保護(OVP)
- 過電流保護(OCP)
- 各位相の過電流保護
- 誤ったOVPを回避し、プリチャージされた負荷で起動
- 構成可能な適応型電圧位置決め(AVP)
- 高性能動作エラーアンプ
- 各位相の真の差動電流バランシングセンスアンプ
- 位相間のダイナミック電流バランス
- 過渡負荷に対する高速初期応答を目的とした電流モードデュアルエッジ変調
- 省電力インターフェイス(PSI)
- ユーザーが設定できる閾値が備わった自動位相制限
- PWM _ VIDおよびI2C制御インターフェイス
- コンパクトな40ピンQFNウェッタブル・フランク・パッケージ
- 湿度感度レベル (MSL) 1
- AEC-Q100グレード2認定済み
- 無鉛、ハロゲンフリー/BFRフリー、RoHS準拠
アプリケーション
- 自動車
- GPUおよびCPU電力
仕様
- VRMP
- 電源電圧範囲: 4.5V ~ 20V
- UVLO範囲 3V~4.2V
- UVLOヒステリシス 標準800mV
- バイアス電源
- 電源電圧範囲 4.6V~5.4V
- VCC自己消費電流
- イネーブル低で最大40µA
- 標準32mA(4相動作)
- 標準10mA(単相DCM動作)
- UVLO閾値範囲 4V~4.5V
- 標準UVLOヒステリシス:200mV
- スイッチング周波数
- 250kHz ~ 1.2MHz範囲(4つの位相)
- 精度 全範囲810kHz、±10%で±4%
- イネーブル入力
- 入力リーク ±1.0µA
- 閾値範囲 0.6V~1.2V
- DRON
- 出力電圧範囲: 0.1V~3.0V
- 標準立ち上がり時間:160ns
- 標準立ち下がり時間:3ns
- 内部抵抗
- プルアップ 標準2.0kΩ
- プルダウン 標準70kΩ
- PGOOD
- 最高出力低電圧:0.4V
- リーク電流 最大0.2µA
- 出力電圧(初期)最大1.5ms
- 出力電圧ランプ時間範囲 0.15ms~10ms
- 保護
- UVP閾値 250mV~350mV、遅延 標準5µs
- OVP閾値 360mV~430mV、遅延 標準5µs
- 過電流保護(ILIM)9.5µA~10.5µA
- PWM出力
- 立ち上がり/立ち下がり時間 10ns
- 3状態出力リーク ±1.0µA
- 最短オンタイム 12ns(代表値)
- 標準1.3V、0%デューティサイクル
- 標準2.5V、100%デューティサイクル
- PWM位相角誤差 ±15°
- 位相検出タイマ 標準1.1ms
- エラーアンプ
- 入力バイアス電流範囲 ±400nA
- オープンループゲイン 標準80dB
- オープンループユニティゲイン帯域幅 標準20MHz
- スルーレート 標準5V/μs
- 出力電圧範囲 1V~3.5V
- 差動総和アンプ
- 入力バイアス電流範囲 ±400nA
- VSP範囲(入力)0V~2V
- VSN(入力)±0.3V
- 標準27MHz、帯域幅 -3dB
- クローズループDCゲイン 標準1V/V
- ドループ 78mV~82mV、精度
- 出力電圧範囲 0.8V~3V
- 電流センシング・アンプ
- オフセット電圧:±500µV
- 入力バイアス電流:±7.5µA
- 標準オープンループ・ゲイン: 80dB
- 電流センス ユニティゲイン帯域幅 標準10MHz
- CSCOMP出力電圧範囲 0.1V~3.5V
- 電流バランス・アンプ
- 入力バイアス電流:±50nA
- コモンモード入力電圧範囲: 0V ~ 2V
- 入力電圧範囲(差動モード)±100mV
- クローズループ入力オフセット電圧の仕様 ±1.5mV
- 電流センスアンプゲイン 最小5.7V/V、標準6.0V/V
- 多相電流センスゲインの仕様 ±3%
- 8MHz標準-3dB帯域幅
- IOUT
- 入力基準オフセット電圧:±3mV
- 出力電流 最大200µA(標準値)
- 電流ゲイン範囲: 9.5A/A ~ 10.5A/A
- 電圧基準
- 範囲 1.98V~2.02V
- 精度 標準1%
- PSI
- 閾値範囲 0.575V~1.45V
- 入力リーク電流 ±1µA
- PWM_VIDバッファ
- 閾値範囲 0.575V~1.21V
- スイッチング周波数 400kHz~5000kHz
- 立ち上がり/立下り時間 標準3ns
- 立ち上がり/立ち下がりエッジ遅延 標準0.5ns
- 伝搬遅延 標準8ns
- 伝搬遅延誤差 標準0.5ns
- REFIN放電スイッチON抵抗 標準10Ω
- I2C
- 入力電圧範囲 0.5V~1.7V
- ヒステリシス 標準80mV
- 出力低電圧(最大):0.4V
- 入力電流:±1µA
- 標準入力容量:5pF
- クロック周波数 400kHz
- 起動状態設定/保持時間 最小600ns
- データ設定時間 最小100ns
- データ保持時間 最小300ns
- 停止状態設定時間 600ns
- 動作温度範囲:-40°C~+105°C
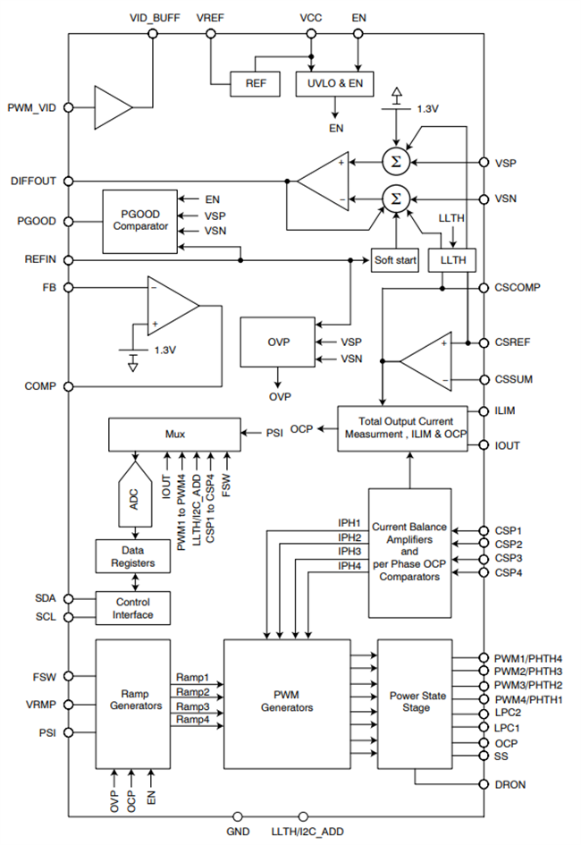
機能ブロック図
公開: 2023-08-11
| 更新済み: 2023-10-25
