onsemi NFA3x512L72インテリジェントパワーモジュール
Onsemi NFA3x12L72インテリジェントパワーモジュール(IPM)は、フル機能が搭載された高性能インバータ出力段を実現している高度モジュールで、AC誘導、BLDC、PMSMモータを対象としています。これらのモジュールには、内蔵IGBTの最適化されたゲートドライブが統合されており、複数のオンモジュール保護を実現しながらEMIと損失を最小限に抑えます。NFA3x12L72モジュールには、温度監視用の内蔵LVIC温度センシングが搭載されています。これらの保護機能には、低電圧ロックアウト(UVLO)、過電流シャットダウン、駆動ICの熱監視、障害報告があります。NFA3x12L72モジュールは、2500Vrms/1分間絶縁定格、1200Vコレクタ-エミッタ電圧、25A各IGBTコレクタ電流が特徴です。代表的なアプリケーションには、HVAC、ヒートポンプ、商業エアコン、VFD、サーボモータ、ロボティクス、可変周波数ドライブ、産業オートメーションがあります。特徴
- 1200V/15A 3相FS7 IGBTインバータ(一体型ゲートドライバと保護機能搭載)
- 内蔵低電圧保護(UVP)
- 3相電流センシングを目的に低圧側IGBTからオープンエミッタピンを分離
- 温度監視用のLVIC温度センシング内蔵
- 絶縁定格: 2500Vrms/分
- 鉛フリー
- RoHS準拠
アプリケーション
- HVAC
- ヒートポンプ
- 業務用エアコン
- 産業用ポンプとファン
- VFD
- サーボモータ
- ロボティクス
- 可変周波数駆動
- 産業用オートメーション
内部ブロック図
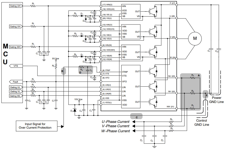
標準アプリケーションの回路図
公開: 2024-07-26
| 更新済み: 2024-08-22
