onsemi NFL25065L4BT SPM® 2 32インテリジェント・パワー・モジュール
onsemi NFL25065L4BT SPM® 2 32インテリジェント・パワー・モジュールは、フル機能が搭載された高性能インターリーブ型PFC(力率補正)入力電力段を実現するように設計されており、コンシューマー、医療、産業用アプリケーションを対象としています。このモジュールには、内蔵絶縁ゲート・バイポーラ・トランジスタ(IGBT)の最適化されたゲートドライバが統合されており、電磁干渉(EMI)と損失を最小限に抑えます。NFL25065L4BTは、低電圧ロックアウト、過電流シャットダウン、熱監視、故障報告といった複数のオンモジュール保護機能も実現しています。このデバイスには、全波整流器および高性能出力SiCダイオードも搭載されており、さらなる省スペースと取付の利便性が備わっています。特徴
- UL認定番号 : E209204 (UL1557)
- 650V、50A 2相インターリーブ型PFC(統合ゲートドライバと保護機能を搭載)
- Al2O3 DBC基板を使用した非常に低い熱抵抗
- 低損失フィールドストップ第4世代IGBT
- 全波ブリッジ整流器および高性能出力SiCブーストダイオード
- 20kHzスイッチング周波数向けに最適化
- 温度モニタリング用の内蔵NTCサーミスタ
- 2500Vrms / 1分間の絶縁定格
- RoHS準拠
アプリケーション
- 2相インターリーブ型PFCコンバータ(AC 200V Class)
- 商用HVAC
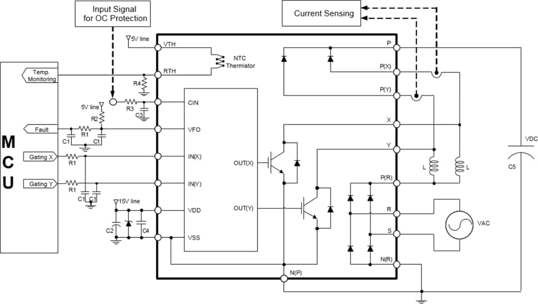
ブロック図
標準アプリケーション回路
公開: 2019-09-10
| 更新済み: 2024-06-24
