onsemi NL3X5004電圧レベル変換器
OnsemiのNL3X5004ボルテージレベル変換器は、4ビット、140Mb/sの設定可能なデュアルサプライオートセンサ付き双方向レベルトランスレータで、方向制御ピンを必要としません。AポートとBポートは、それぞれ異なる電源レールであるVCCA とVCCB を追跡するように設計されており、0.9V〜3.6Vで独立して設定可能です。これらの変換器はアクティブ高イネーブル(EN)を搭載し、高ダイナミック出力電流能力を備え、高容量負荷を駆動できます。NL3X5004は、4,000V人体モデル(HBM)を使用してすべてのピンにESD保護を実装しています。これらのレベルトランスレータは、携帯電話、インフォテイメントシステムなどのデバイスに最適です。特徴
- 動作範囲:VCCA およびVCCB0.9 V~3.6V
- VCCA およびVCCB は、VCCA はVCCB 超、同等、未満の場合独立
- 100pFの高容量駆動能力
- VCCA およびVCCB が1.8V以上の場合、140Mbpsの保証されたデータレートを提供する高速動作
- 低ビット対ビット・スキュー
- 過電圧許容差イネービルおよびI/Oピン
- 非優先パワーアップ・シーケンス
- 部分的な電源オフ保護
- UQFN-12、SOIC14、TSSOP14、QFN-14パッケージ・オプション
- 固有のサイトと制御変更要件を必要とする自動車用およびその他のアプリケーションを対象とした-Qサフィックス
- AEC-Q100認定およびPPAP対応
- 鉛フリー、ハロゲンフリー/BFRフリー、RoHS準拠
アプリケーション
- スマートフォン
- 自動車計器パネル
- 自動車体制御モジュール
- インフォテインメントシステム
- 産業
- 自動車
- 電気通信機器
- 個人電子機器
標準アプリケーション回路
機能図(1 I/Oライン)
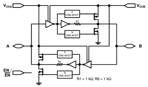
論理図
公開: 2024-09-30
| 更新済み: 2025-02-04
