40Aで1,200Vの試験条件では、1,700V EliteSiC MOSFETは、300nCに近い同等の競合デバイスと比較して200nCのゲート電荷(Qg)を達成しています。低Qg は、高速スイッチング、高電力再生可能エネルギーアプリケーションでの高い効率性の達成に不可欠です。
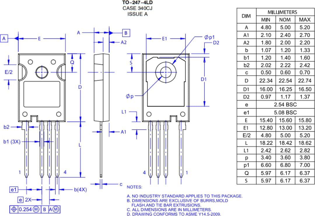
Onsemi NTH4L028N170M1 1700V EliteSiC MOSFETは、ターンオン電力損失とゲートノイズを改善する4番目のピンにKelvinソース接続が備わっているTO247-4Lパッケージに格納されています。
特徴
- 標準RDS (on) = 28mΩ(VGS = 20V時)
- 超低ゲート電荷(QG (tot) = 200nC)
- 低容量(Coss = 200pF)の高速スイッチング
- 100%アバランシェ試験済み
- TO247-4Lパッケージ
- 無鉛でRoHS準拠
アプリケーション
- UPS
- DC/DCコンバータ
- 昇圧コンバータ
ビデオ
パッケージ外形
公開: 2022-11-10
| 更新済み: 2024-06-19

