onsemi NTMFS003P03P8Z PチャネルMOSFET
Onsemi NTMFS003P03P8Z PチャネルMOSFETは、-30Vの単一MOSFETで、5mm x 6mmのパッケージで提供され、スペースの節約と優れた熱伝導性を実現しています。このPチャネルMOSFETは、システム効率を向上させるために1.8mΩの超低RDS(on)を備えており、-234Aのドレイン電流に対応しています。NTMFS003P03P8ZPチャンネルMOSFETは、-55°C~150℃のジャンクション温度および保存温度範囲で動作します。このMOSFETは、鉛フリー、ハロゲンフリー/BFRフリー、RoHS対応デバイスです。NTMFS003P03P8Z MOSFETは、電力負荷スイッチング、逆電流保護、過電圧保護、逆負の電圧保護、およびバッテリ管理に適しています。特徴
- システム効率を向上させる超低RDS(on)
- ゲートソース間電圧(VGS):±25V
- ドレインソース間電圧(VDS):-30V
- 省スペースと優れた熱伝導を実現する5mm x 6mmパッケージの先進的なパッケージテクノロジー
- デバイスは鉛フリー、ハロゲンフリー/BFRフリー、RoHS対応
アプリケーション
- パワー負荷スイッチ
- 保護:
- 逆電流:
- 過電圧
- 負電圧の逆電圧
- バッテリ管理
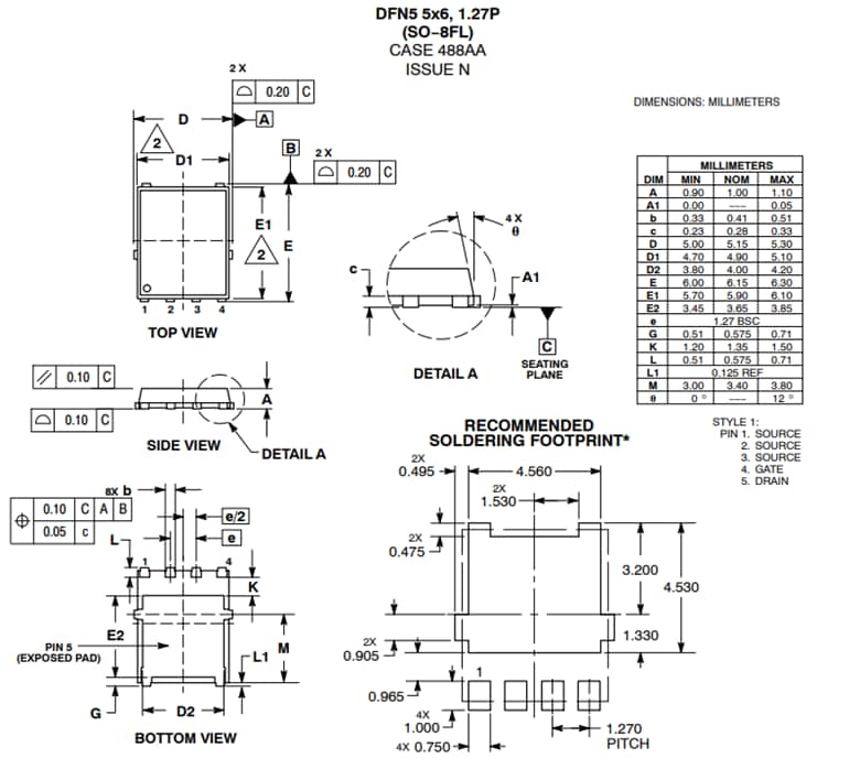
PチャネルMOSFET
寸法図
公開: 2025-02-04
| 更新済み: 2025-02-12
