onsemi NVMYS3D8N04CLパワーMOSFET
Onsemi NVMYS3D8N04CLパワーMOSFETは、シングルNチャンネルMOSFETで、熱性能が高いコンパクトで効率的な設計を目的に設計されています。このパワーMOSFETは、40Vドレイン・ソース間電圧、3.7mΩ ドレイン抵抗、87A連続ドレイン電流で動作します。NVMYS3D8N04CL NチャンネルMOSFETは、AEC-Q101の認定を取得しており、PPAPに対応しており、ボードレベルの信頼性の強化を必要とする車載アプリケーションに適しています。このデバイスは、鉛フリーでRoHS準拠しています。NVMYS3D8N04CLは、逆バッテリ保護パワースイッチ、スイッチング電源、ソレノイドドライバ、モーター制御、負荷スイッチに最適です。特徴
- コンパクト設計のための小型フットプリント5mm x 6mm
- 導通損失を最小限に抑える低RDS(on)
- ドライバの損失を最小限に抑える低QG と静電容量
- 40VDSS ドレイン・ソース間電圧
- 3.7mΩドレイン抵抗
- LFPAK4パッケージの業界標準
- AEC-Q101認定およびPPAP対応
- デバイスは鉛フリーでRoHSに準拠
性能グラフ
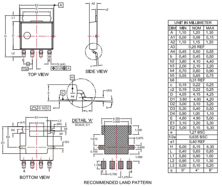
寸法
公開: 2024-02-22
| 更新済み: 2024-03-10
