onsemi NVXR17S90M2SPx EliteSiC電力モジュール
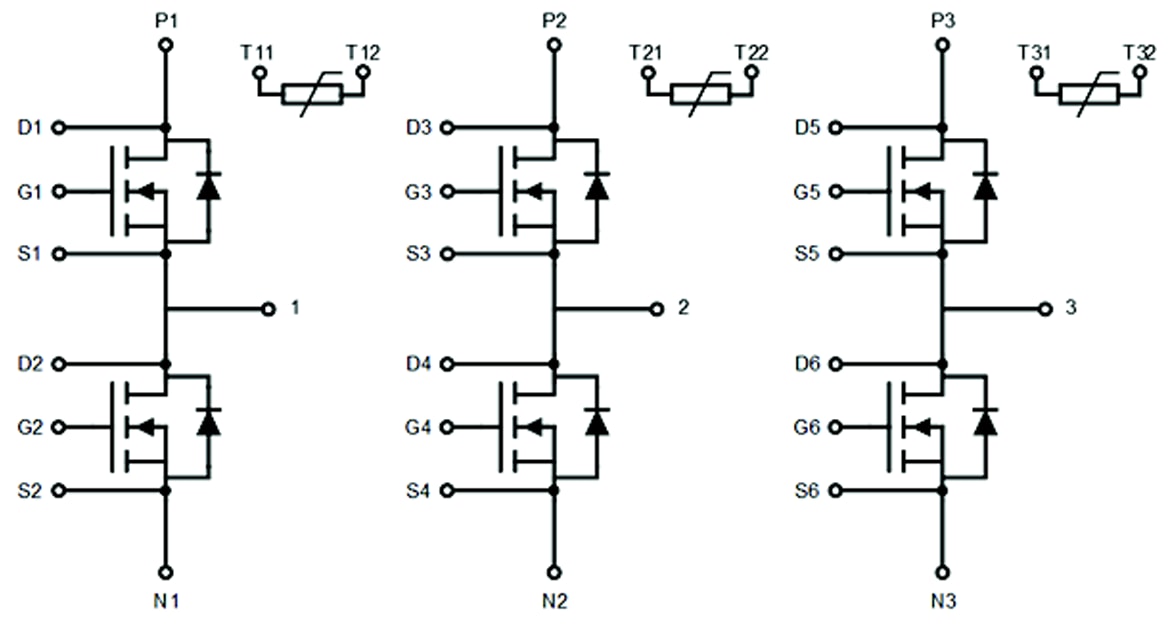
Onsemi NVXR17S90M2SPxEliteSiC電力モジュール 効率性、電力密度、および全体的な性能を向上させます。onsemi のNVXR17S90M2SPxモジュールは、便利なシックスパック構成で900VのSIC MOSFETを統合しています。モジュールには、シグナル端子用のプレスフィットピンが備わっており、簡単な組み立てと信頼性の向上が可能です。さらに、このデバイスには、効果的な熱放散を目的にベースプレートに最適化されたピンフィンヒートシンクが含まれています。ダイアタッチには、信頼性と熱性能を向上させる焼結技術が活用されており、AQG324車載規格を満たしています。特徴
- 統合ピンフィンヒートシンクを用いた直接冷却
- シリコン窒化物アイソレータ
- Tvj.連続動作で最大 = +175°C
- 車載用グレードSIC MOSFETチップテクノロジー
- 信頼性の高い性能のための焼結ダイテクノロジー
- 統合しやすい6パックトポロジー
- 車載モジュールAQG324準拠
- 鉛フリー、RoHS準拠
- 代表的なアプリケーションには、ハイブリッドと電気自動車トラクションインバータがあります。
アプリケーション
- ACトラクションモータに給電するコンバータDCバッテリ出力
- ハイパワーDC-DCコンバータ
ピンの説明
公開: 2024-02-05
| 更新済み: 2024-06-18
