onsemi NXH008T120M3F2PTHGシリコンカーバイド(SIC)モジュール
OnsemiNXH008T120M3F2PTHGシリコン カーバイド (SIC) モジュールは、1200VM3S プレーナー SIC MOSFET に基づくT型中性点クランプ コンバータ(TNPC)モジュール です。 NXH008T120M3F2PTHGは、高速スイッチングアプリケーション用に最適化されています。 プレーナ技術は、負のゲート電圧ドライブと確実に作動し、ゲート上のスパイクをオフにします。このモジュールは、20Vゲートドライブで駆動する場合に最適な性能を発揮しますが、18Vゲートドライブでも良好に作動します。特徴
- 8mΩ、1200V M3S SIC MOSFET TNPCトポロジ
- HPS DBC
- サーミスタ
- 熱インターフェイス材料(TIM)が事前に適用/適用なしのオプション
- はんだ付け可能なピンとプレスフィットピンを備えたオプション
- 無鉛、ハロゲンフリー、RoHS準拠
アプリケーション
- ソーラーインバータ
- 無停電電源装置
- 電気自動車充電ステーション
- 産業用電源
仕様
- sic mosfet
- 最大ゼロゲート電圧ドレイン電流:300µA
- 標準ドレイン-ソース間on抵抗:8.5mΩ ~ 15mΩ
- ゲート・ソース間閾値電圧:1.8V ~ 4.4V
- ゲート漏れ電流:± 600nA
- 標準静電容量
- 入力:9129pF
- 逆転送:39pF
- 出力:493pF
- 標準全ゲート電荷:454nC
- 標準ゲート・ソース電荷:43nC
- 標準ゲート・ドレイン電荷:101nC
- 標準ターンオン遅延:41.5ns
- 標準立ち上がり時間:20.6ns
- 標準ターンオフ遅延時間:137ns
- 下降時間:15ns
- パルスあたりの標準スイッチング損失
- ターンオン:0.60mJ
- ターンオフ:0.26mJ
- ダイオード順方向電圧:4.0V ~ 4.8V
- 標準熱抵抗
- 0.256°C/Wチップ対ケース
- 0.451°C/W chip-to-heatsink
- サーミスタ
- 公称抵抗範囲:5kΩ ~ 159.5Ω
- ±5% R100の偏差
- 標準電力損失
- 推奨制限:0.1mW
- 34.2mW絶対最高
- 1.4mW/K定
- 標準B値、±2%許容差
- 3375K if B(25/50)
- 3436K if B(25/100)
- 160µm ±20µm TIM層厚
- 絶縁
- 最大絶縁試験電圧 4800VRMS /秒、60Hz
- 最長沿面距離:12.7mm
- 600最大CTI
- HPS基板セラミック材料、厚さ0.38mm
- 0.18mm最大基板反動
- 動作接合部温度範囲:-40°C ~ +150°C
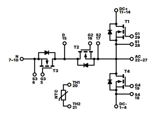
回路図
その他のリソース
公開: 2023-12-19
| 更新済み: 2024-07-31
