onsemi NXH00xP120M3F2PTxG EliteSiCハーフブリッジモジュール
Onsemi NXH00xP120M3F2PTxG EliteSiCハーフブリッジモジュールは、2つの3mΩ または4mΩ の1200V SIC MOSFETスイッチとサーミスタを搭載する2パックモジュールで、Zirconia Doped Alumina(HPS)直接結合銅(DBC)またはシリコン窒化物(Si3N4) DBCが搭載されています。F2パッケージのSiC MOSFETスイッチには、M3S技術が活用されており、15V~18Vゲートの駆動範囲が特徴です。アプリケーションには、DC-AC、DC-DC、AC-DC変換があります。特徴
- 3mΩまたは4mΩ、1200V M3S SiC MOSFETハーフブリッジ
- F2パッケージオプション
- ジルコニアドープアルミナ (HPS) 直接結合銅(DBC)
- 窒化ケイ素 (Si3N4) 直接結合銅 (DBC)
- 15V ~ 18Vゲート駆動範囲
- サーミスタ
- 事前に適用されたサーマルインターフェイス素材 (TIM)
- Press-fitピン
- 無鉛、ハロゲンフリー、RoHS準拠
アプリケーション
- ソーラーインバータ
- 無停電電源(UPS)
- 電気自動車 (EV) 充電ステーション
- 産業用電源
データシート
- EliteSiC, 3mΩ SiC M3 MOSFET, 1200V, 2パックハーフブリッジトポロジ
- NXH003P120M3F2PTHG 、F2パッケージ(HPS DBC搭載)
- NXH003P120M3F2PTNG 、F2パッケージ (Si3N4 DBC搭載)
- EliteSiC 、4mΩ SIC M3 MOSFET、1200V、2パックハーフブリッジトポロジ
- NXH004P120M3F2PTHG 、F2パッケージ(HPS DBC搭載)
- NXH004P120M3F2PTNG 、F2パッケージ (Si3N4 DBC搭載)
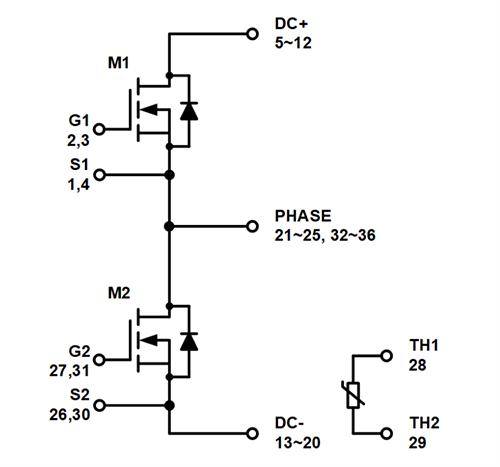
回路図
ピン接続
公開: 2023-11-20
| 更新済み: 2024-06-18
