onsemi NXV08H300DT1 MOSFETモジュール
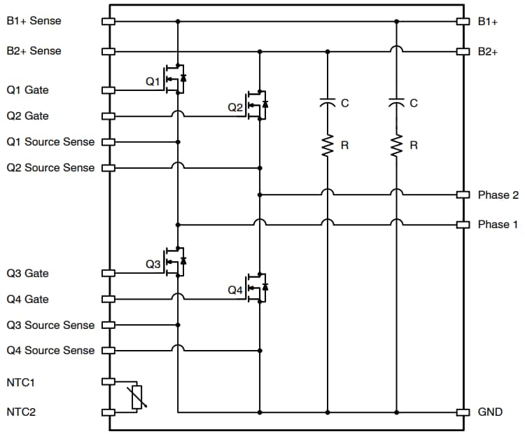
Onsemi NXV08H300DT1 MOSFETモジュールは、デュアルハーフブリッジ80V車載用パワーMOSFETモジュールで、48Vマイルドハイブリッド車載アプリケーションを対象とした温度センシングが搭載されています。この2相パワーMOSFETモジュールはダイレクトボンド銅(DBC) 基板で電気的に絶縁され、Rthjcが低くなります。NXV08H300DT1 モジュールは、モジュール全他の抵抗を低く抑えるためにコンパクトに設計されており、小型で効率的かつ信頼性の高いシステム設計によって車両の燃費を向上し、CO2 排出量を削減します。モジュール内部のコンポーネントは、AEC-Q101 (MOSFET) およびAEC-Q200 (受動部品)の認定を受けています。NXV08H300DT1パワーMOSFETモジュールは、48Vインバータおよび48Vトラクション・アプリケーションでの使用に最適です。特徴
- 2相MOSFETモジュール(顧客側で2相出力電源端子を組み合わせることにより、ハーフブリッジMOSFETモジュールとして使用することも可能)
- 低Rthjc用の電気絶縁DBC基板
- モジュール全体の抵抗を低く抑えるコンパクト設計
- 簡素化された車両組み立て
- 低い熱抵抗
- 低インダクタンス
- ドレイン-ソース電圧:80V(VDS)
- 完全トレーサビリティのためのモジュール・シリアライゼーション
- モジュールレベルAQG324認定済:
- 内部部品は、AEC-Q101 (MOSFET)およびAEC-Q200 (受動部品)の認定を受けています。
- UL 94 V-0準拠
- 鉛フリー、RoHS準拠
アプリケーション
- 48Vインバータ
- 48Vトラクション
ブロック図
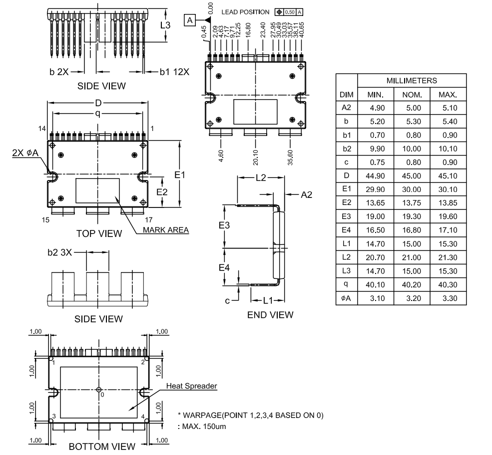
パッケージ寸法
公開: 2024-02-21
| 更新済み: 2024-07-15
