onsemi NXV10Vx 3相車載用パワーMOSFETモジュール
Onsemi NXV10Vx 3相車載用パワーMOSFETモジュールは、車載アプリケーションでの高効率電力管理を目的に設計されています。これらのonsemiモジュールは、電気自動車(EV)トラクションインバータ、オンボード充電器、DC-DCコンバータに特に適しています。このデバイスは、低RDS (on) および高電流処理能力が特徴で、効率的な電力変換と最小限のエネルギー損失が保証されます。さらに、コンパクトな設計と優れた熱性能によってNXV10Vxモジュールは、現代の車載システムにおいてスペースに制約のある環境に最適です。これらの属性は、車載用電力システムの全体的な信頼性と効率に貢献しています。特徴
- 3相MOSFETモジュール
- 低熱抵抗のための電気的に絶縁されたDBC基板
- 温度センシング
- モジュール全体の抵抗を低く抑えるコンパクト設計
- 完全トレーサビリティのためのモジュール・シリアライゼーション
- 車両の燃料消費量とCO2排出量の削減を目的とした小型で効率的かつ信頼性の高いシステムの設計が可能
- 簡素化された車両アセンブリ
- モジュールケースとヒートシンクの間のサーマルインターフェイス材質を介して直接取り付けることによって、接合部-ヒートシンクに対する低い熱抵抗が実現
- パッケージ APM21-CGA
- AQG324-qualifiedおよびPPAP対応
- 無鉛、RoHS準拠、UL 94 V-0準拠
アプリケーション
- 48V Eコンプレッサおよびその他の48V補助
- 電気自動車(EV)トラクションインバータ
- オンボード充電器
- DC/DCコンバータ
仕様
- 最高ドレイン-ソース電圧: 100V
- 最高ゲート-ソース間電圧: ±20V
- 最大シングルパルスアバランシェエネルギー: 587mJ
- 最大漏れ: 250µA
- 最大ドレイン-ソース間リーク電流: 5µA
- 最大ゲート-ソース間リーク電流: ± 100nA
- ゲート-ソース間閾値電圧範囲: 2,0V ~ 4.5V
- 標準入力容量: 6,970pF
- 標準出力容量: 3,950pF
- 標準逆方向伝達容量: 29pF
- 標準ゲート抵抗:0.4Ω
- 総ゲート電荷: 101nC
- 標準ゲート-ソース間充電: 34nC
- ゲート-ドレイン間充電: 19nC (標準)
- 標準ターンオン遅延時間: 46ns
- 標準立ち上がり時間: 26ns
- 標準ターンオフ遅延時間: 52ns
- 下降時間: 15ns
- 最高接合部温度: +175°C
データシート
- NXV10V125DT1 車載用パワーMOSFETモジュール
- NXV10V160ST1 車載用パワーMOSFETモジュール
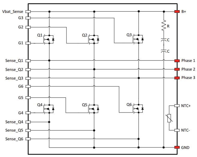
スキーム図
公開: 2024-03-14
| 更新済み: 2025-03-25
