onsemi NCV785141チャネル車載用LEDドライバ
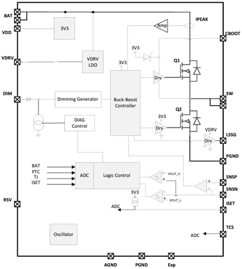
オンセミ (onsemi) NCV78514 1チャンネル車載用LEDドライバは、MCUレスアプリケーション用に設計されており、入力電圧とLEDストリング温度低下機能を統合しています。オンセミ (onsemi) NCV78514ドライバは、Hブリッジトポロジーを備えたシングルチャネルLEDドライバ対応で、同期降圧スイッチと外付け低圧側NMOSFETやSCHOTTKYダイオードを使用した非同期ブーストを組み合わせています。このデバイスは、定電流モードで動作し、LEDストリング2~20点を駆動し、シングルPCBまたはモジュール式ソリューションの柔軟な設計が可能です。LEDストリング電流は電流エンコーディング抵抗器で設定され、センス抵抗器でモニターされます。特徴
- MCUなしアプリケーションに対応
- 統合されたディレーティング機構
- 固定スイッチング周波数:400kHz
- 入力動作範囲:5V〜21V
- ウォームスタート管理:9V未満
- 負荷ダンプ:最大45V
- 出力電圧範囲:60V
- 外部プログラマブル電流:200mA〜1,500mA
- パルス幅変調:80Hz〜600Hz
- LED電流調光周波数:400Hz
- LED温度用外部NTC/PTC
- スペクトラム拡散
- ステータスとエラー・モードの処理
- AEC-Q100認定およびPPAP対応
アプリケーション
- フォグランプ
- コーナリングライト
- ロゴ投影
- ロゴ照明
標準アプリケーション回路
ブロック図
公開: 2025-01-17
| 更新済み: 2025-12-04
