Texas Instruments TPS92542-Q1同期ブーストコントローラ
Texas Instruments TPS92542-Q1同期ブーストコントローラには、同期ブーストコントローラおよび2チャンネルモノシリック同期バックLEDドライバが搭載されており、4.5V~ 65Vの広い動作バック入力電圧範囲が備わっています。同期ブーストコントローラには、ピーク電流モードコントローラが実装されており、定電圧モードで動作します。ブーストは、他のTPS9254xデバイスと2相または3相として動作するようにプログラミングできます。出力電圧は、プログラマブル8ビットDACを使用してプログラミングできます。昇圧コントローラには、EMIを低減させるためのプログラム可能な周波数変調技術が組み込まれています。モノリシック同期バックには、適応型オンタイム平均電流モード制御が実装されており、定電圧(CV)または定電流(CC)出力を生成できます。バックは、CCモードでのシャントFET調光技術およびLEDマトリックスマネージャベースのダイナミックビームヘッドランプとの互換性があります。CVモードでは、適応型オンタイム制御によって、高速過渡応答での高帯域幅動作が可能になります。制御によって、100kHz~1,0MHzの間で設定されるほぼ一定のスイッチング周波数が実現します。インダクタ電流センシングと閉ループフィードバックによって、広い入力電圧、出力電圧、周囲温度範囲全体で±4%以上の優れた精度が実現します。CCモードでは、バックはアナログまたはPWM調光技術を使用してLED電流を個別に変調できます。
UARTシリアルインターフェイスは、TPS9266xおよびTPS9254xデバイスとの互換性があります。内部EEPROMは、システムデフォルト、キャリブレーション、照明モジュールデータを保存できます。5つの構成可能なMPIOと2つのDIOは、デジタル入力または出力として、あるいはADC入力として構成できます。Texas Instruments TPS92542-Q1は、7,0mm × 7,0mm熱強化型48ピンHTQFPパッケージでご用意があり、上部露出パッドが備わっています。
特徴
- 車載アプリケーション向けAEC-Q100認定
- -40°C~125°C周囲動作温度、グレード1
- デバイスHBM分類レベルH1C
- デバイスCDM分類レベルC5
- 機能安全システム設計を支援する文書を利用できる機能安全対応
- 広い入力電圧範囲 4.5V~65V
- 2チャンネル同期バック(統合スイッチ搭載)
- 構成可能な定電圧(CV)および定電流(CC)動作
- 最大連続出力電流:2A
- 安定化精度:4%(電圧と電流モード)
- 最大65Vのプログラマブル出力電圧が備わった同期ブーストコントローラ
- EMI緩和のためのブーストおよびバック拡散スペクトラム
- バックスイッチ熱保護
- UARTシリアル通信
- システムクロック用の内部発振器
- LMM互換
- 内部EEPROM
- デフォルト設定
- 顧客較正データ
アプリケーション
- 自動車用ヘッドライト
- 適応型LED駆動モジュール
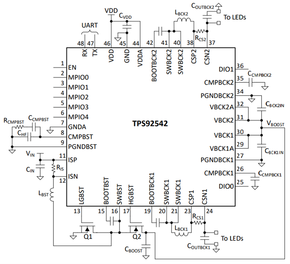
簡略図
その他の資料
公開: 2025-03-04
| 更新済み: 2025-12-17
