onsemi NCV78902 2相ブースターLEDドライバ

Onsemi NCV78902 2相ブースターLEDドライバは、ハイビーム、ロービーム、デイタイム・ランニング・ライト(DRL)、ターン・インジケータ、フォグ・ライトなど、 自動車フロント照明アプリケーション向けに設計された、シングルチップの高効率LEDドライバです。 大電流LEDをサポートするように設計されたonsemi NCV78902は、NCV78935(トリプル・チャネル・バック)やNCV78925(デュアル・チャネル・バック)などの降圧型LEDドライバと組み合わせて動作し、完全なマルチチャネル照明ソリューションを実現します。NCV78902は、多相動作(最大4相)をサポートしており、フィルタリングの最適化と費用対効果の高い部品サイズ化が可能になります。

このデバイスは、シャント抵抗器またはMOSFET RDS (on)による電流センシング、プログラム可能なソフトスタート、スタンドアロンまたはリンプホーム・モードが特徴で、システムの信頼性の向上させます。最大2MHzの周波数で動作するこのLEDドライバによって、電磁干渉(EMI)を低く抑えながらコンパクトなインダクタ設計を実現できます。さらに、プログラム可能なSPIによって、単一のハードウェア構成をさまざまなプラットフォームに適応できるほか、SEPICモードをサポートし、出力電圧を入力より低く抑えることができるため、変動の激しい自動車のバッテリ環境に最適です。

特徴

  • シングルチップ2相ブースター
  • シャント抵抗またはMOSFETのRDS (on) での電流センシング
  • スタンドアロン/リンプホーム・モード
  • プログラム可能なソフトスタート内蔵
  • 優れた安定性と応答時間
  • 小型出力コンデンサ用に設計
  • 低EMC排出
  • インダクタサイズを低減できる最大2MHzの高動作周波数
  • SEPICモードに対応
  • システムパラメータの動的制御に対応する4MHz SPIインターフェイス
  • 48Vバッテリシステム準拠
  • 電源電圧範囲:3V~5.5V VCC
  • 周囲温度範囲: -40°C~+125°C
  • パッケージ:TSSOP-16 WBケース948F
  • ASIL B準拠、AEC-Q100認定、PPAP対応
  • 鉛フリー、ハロゲン化物フリー、RoHS準拠

アプリケーション

  • ハイビームとロービーム
  • 方向指示器とDRL
  • ポジションランプまたはパーキングライト
  • フォグおよびスタティック・コーナリング
  • アダプティブドライビングビーム
  • ピクセルアプリケーション

ブロック図

ブロック図 - onsemi NCV78902 2相ブースターLEDドライバ

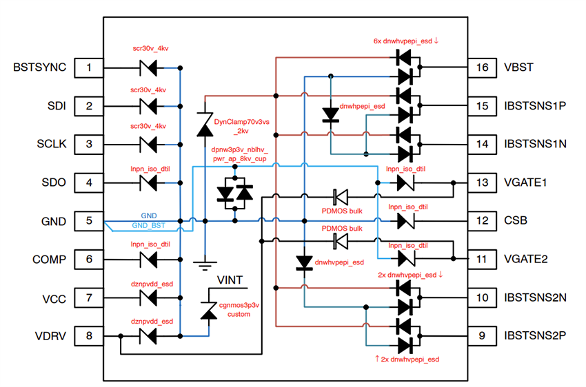
ESD回路図

回路図 - onsemi NCV78902 2相ブースターLEDドライバ

SPI接続シナリオと電源戦略

回路図 - onsemi NCV78902 2相ブースターLEDドライバ
公開: 2025-05-22 | 更新済み: 2025-06-02