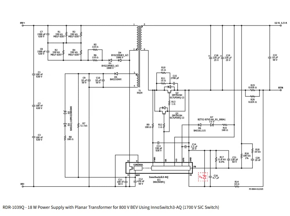
Power Integrations RDK-1039Q Reference Design Kit
Power Integrations RDK-1039Q Reference Design Kit is an 18W power supply with a planar transformer for traction inverter gate drivers or emergency power supplies. The Power Integrations InnoSwitch3-AQ 1700V switching power supply ICs deliver up to 120W of output power. The RDK-1039W Reference Design Kit targets a variety of automotive applications.
Features
- 18W automotive power supply
- 10VDC to 1000VDC input voltage range
- 12V output voltage
- 1.5A output current
- Single output
- 18W output power
Applications
- Battery management systems
- Climate control and auxiliary converters
- Onboard chargers
- Traction inverters
Schematic
Videos
公開: 2025-05-07
| 更新済み: 2026-02-02
