onsemi NCP81535 8 + 1相出力コントローラ

Onsemi NCP81535 8 + 1相出力コントローラは、デュアルレール、8 + 1相バックソリューションで、IntelのIMVP9.2 CPU向けに最適化されています。多相レール制御システムに、デュアルエッジパルス幅変調 (PWM) と直流抵抗 (DCR) 電流センシングを組み合わせています。この組み合わせによって、動的負荷事象に対する超高速初期応答を提供し、システムコストの削減を実現します。onsemi NCP81535は、超低オフセット電流モニタアンプが特徴で、高精度電流監視用のプログラム可能なオフセット補償を備えています。

特徴

  • VIN 範囲:4.5V~21V
  • 誤ったOVPを回避し、プリチャージされた負荷で起動
  • デジタルソフト起動ランプ
  • 調整可能Vboot
  • 高インピーダンス差動出力電圧アンプ
  • IMVP9.2に対応するためのデュアルVIDテーブルサポート
  • 大電流拡張に対応
  • ダイナミックリファレンスインジェクション
  • プログラム可能な出力電圧スルーレート
  • ダイナミックVIDフィードフォワード
  • 各相差動電流センスアンプ
  • プログラム可能適応電圧ポジショニング(AVP)
  • 可変スイッチング周波数範囲
  • デジタル安定化スイッチング周波数
  • 超音波操作
  • 音響ノイズ緩和機能をサポート
  • PSYS入力モニタ(SVIDアドレス0D)
  • VCCIN_AUX IMON入力に対応
  • IntelのIMVP9.2仕様に適合
  • 過渡負荷に対する高速初期応答を目的とした電流モードデュアルエッジ変調
  • 鉛フリーデバイス

アプリケーション

  • 高性能コンピューティング(HPC)
  • ゲーム、および愛好家PC
  • ラップトップとウルトラブック
  • エンタープライズ、およびデータセンター機器
  • 組込みシステム

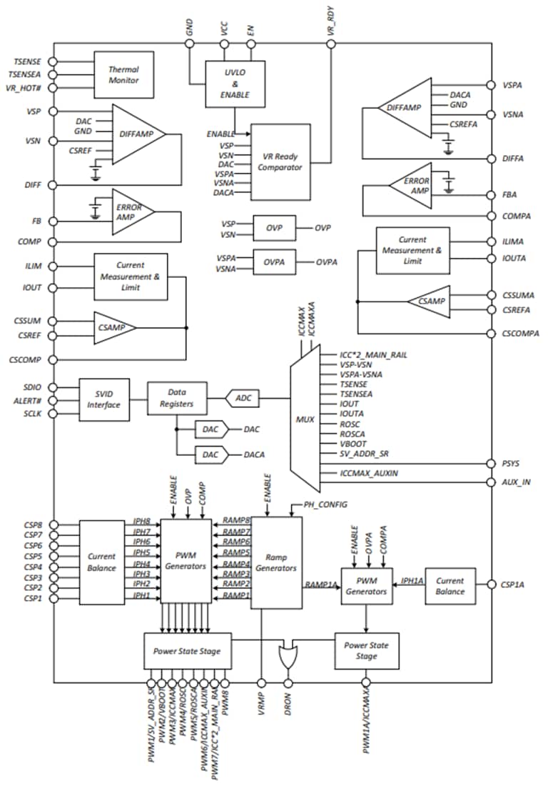
内部ブロック図

ブロック図 - onsemi NCP81535 8 + 1相出力コントローラ
公開: 2025-05-20 | 更新済み: 2025-06-19