Texas Instruments TPS4800-Q1ハイサイドドライバ
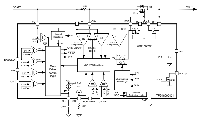
Texas Instruments TPS4800-Q1 ハイサイド・ドライバは、100V、低IQデバイスです。12V、24V、48Vのシステム設計に適しています。このドライバは逆極性保護機能を備えており、-65Vまでの負の電源電圧に耐え、負荷を保護するように設計されています。TPS4800-Q1ドライバは、大電流システム設計で並列MOSFETを使用した電力スイッチングを可能にする強力な(2A)ゲートドライブを備えています。このドライバは、閾値と応答時間の調整のために、ISCPピンとTMRピンを使用して設定可能な短絡保護を提供します。TPS4800-Q1ドライバは、車載アプリケーション向けにAEC-Q100認定を受けています。TPS4800-Q1ドライバは、11Vチャージポンプ、ハイサイドまたはローサイドの電流検出構成(CS_SEL)、ゲート駆動の低電圧ロックアウト(UVLO)用のフォルト表示(FLT_GD)を内蔵しています。また、このドライバは、SCP_TEST入力の外部制御を使用した、内臓の短絡コンパレータを診断する機能も備えています。TPS4800-Q1ドライバは、車載用48V BMS、DC/DCコンバータ、電動工具に使用されます。
特徴
- 車載アプリケーション向けにAEC-Q100車載認証済み
- デバイス温度グレード1:動作周囲温度範囲:-40°C〜125°C
- -65Vまでの逆入力保護
- 11Vチャージポンプ内蔵
- 低自己消費電流、動作中43µA
- 1.5µAの低シャットダウン電流(EN/UVLO =低)
- 強力なゲートドライバ(2Aのソースおよびシンク)
- 入力電圧範囲:3.5V〜95V(絶対最大定格 100V)
- 外付けのRsenseまたは可変遅延 (TMR) 付きMOSFETVDS センシングを使用した可変短絡保護 (ISCP)
- ハイサイドまたはローサイドの電流検出構成(CS_SEL)
- 調整可能な入力低電圧ロックアウト(UVLO)および過電圧保護(OV)
- 短絡フォルト時のフォルト表示(FLT)、入力低電圧、および短絡コンパレータ診断(SCP_TEST)
- ゲート駆動UVLO用のフォルト表示(FLT_GD)
アプリケーション
- 車載用48V BMS
- DC/DCコンバータ
- 動力工具
機能ブロック図
BSTへの外部供給を備えたアプリケーション回路
公開: 2025-01-16
| 更新済み: 2025-04-17
