ROHM Semiconductor BDxFD0 / BDxFDA シングルアウトプット低飽和レギュレータ (LDO)
ROHM Semiconductor BDxFD0 / BDxFDA シングルアウトプットLDO (Low Voltage Dropout) レギュレータは、35V耐圧の低飽和型レギュレータです。これらのレギュレータには、固定出力タイプまたは可変出力タイプがあり、2A出力電流が特長で、(出力の位相補償コンデンサに)低ESRのセラミックコンデンサが使用可能です。BDxFD0およびBDxFDAレギュレータは、出力短絡などによるIC破壊を防止する過電流保護回路を内蔵 (OCP) しています。これらのレギュレータは、あらゆる用途に対応する汎用パッケージHRP5/TO263-5を採用しています。特徴
- 出力電流: 2A
- 固定出力タイプまたは可変出力タイプ
- PDMOS出力による低飽和
- ICを過負荷状態などによる熱破壊から防ぐ温度保護回路を内蔵
- 低ESRコンデンサ
- 出力短絡などによるIC破壊を防止する過電流保護回路
- HRP5/TO263-5パッケージを採用
- 動作温度範囲:-40°C~105°C
- あらゆる用途に対応
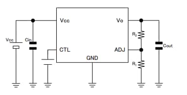
代表的なアプリケーション回路 出力電圧:可変型
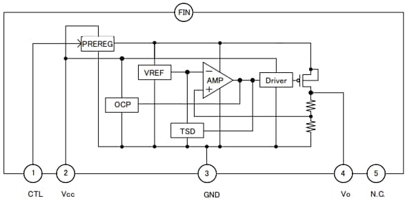
ブロック図:出力電圧可変型
ブロック図:出力電圧固定型
View Results ( 15 ) Page
| 部品番号 | データシート | Ib - 入力バイアス電流 | 入力電圧-最大 | ライン レギュレーション | ドロップアウト電圧 - 最大 | ドロップアウト電圧 | 出力電圧 | 出力タイプ | 入力電圧-最小 | 出力電圧範囲 | 基準電圧 | PSRR/リップル除去比 - 標準 | 最低動作温度 | 最高動作温度 |
|---|---|---|---|---|---|---|---|---|---|---|---|---|---|---|
| BDJ2FD0WHFP-TR | ![]() |
1 mA | 32 V | 20 mV | 550 mV | 400 mV | 12 V | Fixed | 50 dB | - 40 C | + 105 C | |||
| BD50FD0WHFP-TR | ![]() |
1 mA | 32 V | 20 mV | 550 mV | 400 mV | 5 V | Fixed | 55 dB | - 40 C | + 105 C | |||
| BDJ6FD0WHFP-TR | ![]() |
1 mA | 32 V | 20 mV | 550 mV | 400 mV | 16 V | Fixed | 50 dB | - 40 C | + 105 C | |||
| BD15FD0WHFP-TR | ![]() |
1 mA | 32 V | 20 mV | 1.5 V | Fixed | 4 V | 55 dB | - 40 C | + 105 C | ||||
| BD00FD0WFP2-E2 | ![]() |
1 mA | 32 V | 20 mV | Adjustable | 1.5 V to 16 V | 750 mV | 55 dB | - 40 C | + 105 C | ||||
| BD50FD0WFP2-E2 | ![]() |
1 mA | 32 V | 20 mV | 550 mV | 400 mV | 5 V | Fixed | 55 dB | - 40 C | + 105 C | |||
| BD00FDAWHFP-TR | ![]() |
1 mA | 32 V | 20 mV | 550 mV | 400 mV | Adjustable | 1 V | 1.5 V to 30 V | 750 mV | 55 dB | - 40 C | + 105 C | |
| BD25FD0WHFP-TR | ![]() |
1 mA | 32 V | 20 mV | 2.5 V | Fixed | 4 V | 55 dB | - 40 C | + 105 C | ||||
| BD30FD0WHFP-TR | ![]() |
1 mA | 32 V | 20 mV | 3 V | Fixed | 4 V | 55 dB | - 40 C | + 105 C | ||||
| BD33FD0WHFP-TR | ![]() |
1 mA | 32 V | 20 mV | 3.3 V | Fixed | 55 dB | - 40 C | + 105 C |
公開: 2025-05-18
| 更新済み: 2025-06-26

