特徴
- 3.9V~29V入力電圧範囲
- 2~5セルのリチウムイオン電池に対応
- 広範な出力電圧が備わっているOTG機能(5V~22.5V入力)に対応
- プログラマブル周波数:
- 125kHz
- 250kHz
- 500kHz
- 1MHz
- 出力電流: 100mA
- 2V~5V出力電圧
- 0.5%精度
- ±4%出力定電流安定化
- 輸送モードにおけるバッテリからの<5μA漏れ電流
- JEITA準拠
- サイクルバイサイクル電流制限
- 内蔵ADC(モニタリング用):
- 温度
- 入出力電圧
- 入出力電流
- 熱の調整と保護
- 低出力リップル
- 熱強化32リード、4m x 4mm QFNパッケージ
アプリケーション
- マルチセルバッテリ充電器
- ポータブルバッテリ駆動デバイス
- カーチャージャー
- パワーバンク
- 24V産業用アプリケーション
- 車載用パワー・システム
- 複数の電源供給
- DC UPS
- ソーラー駆動デバイス
- ソリッドステート照明
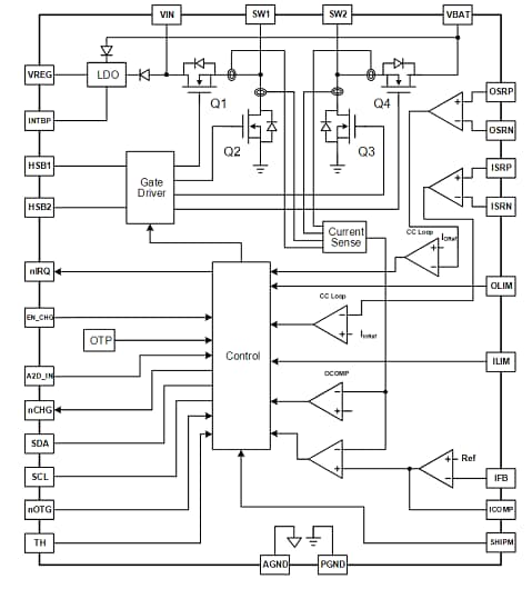
ブロック図
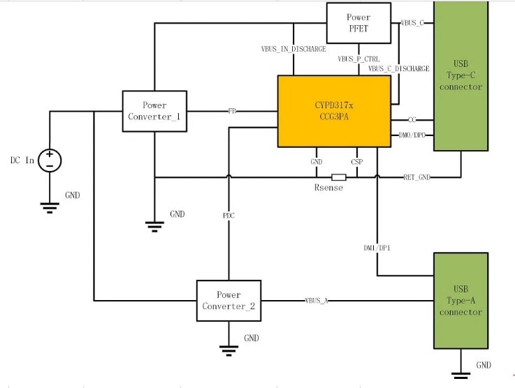
39W USB-C/USB-Aデュアルポート・シガーソケット充電器のリファレンス設計
パワーバンク18W + 18WデュアルUSB-Cリファレンス設計
公開: 2018-05-21
| 更新済み: 2023-01-31

