Qorvo ACT81460EVK1評価キット

Qorvo ACT81460EVK1評価キットは、ACT81460VM101電源管理ICを評価するように設計されています。評価キットは、各コンバータの入出力電圧、およびデジタル制御シグナルへのフルアクセスに対応します。これらの設計によって、実際のシステムにマッチした評価キットを構成することができます。ACT81460EVK1評価ボードは、必要に応じてスタンドアロンボードとして使用できます。

必要な機器

  • USB-TO-I2Cドングル
  • 5V @ 4A(フルパワー動作)
  • >100MHz >2チャンネルのオシロスコープ
  • 1Aの最小電流能力が備わっている電子負荷または抵抗負荷
  • デジタルマルチメータ(DMM)
  • スペアUSBポートが搭載されたWindows互換コンピュータ

評価キットのセットアップ

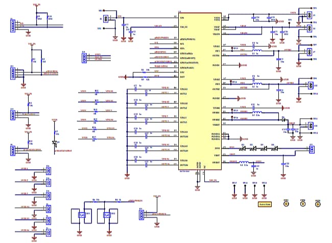
アプリケーション回路図 - Qorvo ACT81460EVK1評価キット

スキーム図

回路図 - Qorvo ACT81460EVK1評価キット
公開: 2020-03-12 | 更新済み: 2024-08-19