電力損失プロテクションにより、入力電力の故障の際にバックアップストレージ電力を提供します。内蔵ブーストコンバータは、高電圧エネルギーストレージを実現しており、ストレージコンデンサのサイズ要件を最小限に抑えます。内蔵補足バックコンバータは、固定出力電圧に対してストレージ電圧の安定化を図ります。内部バック対バックeFuse FETが搭載されており、双方向入力対出力絶縁を実現できます。ACT85610は、ホットスワップおよび突入電流の制御も実現しています。
Qorvo ACT85610 PMIC は、6mm2 クワッド・フラット・ノーリード(QFN)パッケージで提供され、鉛フリー、ハロゲンフリー、およびRoHS準拠です。
特徴
- 高性能な電力損失防止機能
- 2.7V〜14Vの動作入力範囲と14.4Vの過電圧保護を実現
- 20Vの最大入力耐電圧
- 調整式起動スルーレート
- 突入電流の制御
- 構成式電力障害レベル
- プログラマブル10A入力電流制限
- プログラム可能な5.5V〜31Vの昇圧ストレージ電圧
- 31V/8Aの同期降圧は100%の負荷サイクルに対応
- 小型インダクターのサイズための最大2.25MHzまでのプログラム可能な降圧動作周波数
- 入力供給からコンデンサ・バンク・パワーへの検出不可能な移行
- スーパーコンデンサ、電解、タンタル、POSCAPをはじめとするさまざまな種類のストレージコンデンサとの互換性あり
- 自律型ヘルスモニタリング
- 早期ストレージコンデンサ故障検出
- ストレージ静電容量の測定
- FET内蔵の高効率PMIC
- 4つの高電圧DC-DC降圧コンバータ
- 統合型同期電力段
- 最大96%の効率
- 最低6Vまでの低出力用に最適化された12Vからのシングル段変換
- 優れた動的応答
- 独自のCOT制御アルゴリズム
- インダクタのサイズが小さい
- 高速過渡応答
- 高電圧非同期ブーストレギュレータ1台
- プログラマブル出力電圧が備わったLDO 1台
- 500kHz~2.0MHzの範囲で周波数を構成可
- ほぼ一定の周波数
- センサレス過電流保護(OCP)
- 出力低電圧(UV)および過電圧(OV)検出
- セラミックコンデンサの安定性
- システム制御とインターフェイス
- 専用の電力損失インジケータ(PLI)ピン
- プログラム可能な汎用I/O 6個搭載
- I2Cシリアルインターフェイスとパスワード保護
- 重要な信号のADC監視
- 独立したONとOFFシーケンシング
- リセット/電源正常出力
- I2C/GPIOでレールのオン/オフが設定可能
- 入力電力、低電圧、過電圧の監視
- 任意の障害/ステータス変更をホストに通知するように設定できる割込機能
- 熱アラートと保護
- システム管理
- 汎用性の高いGPIO機能
- 監視監視
- 割込機能あり
- スプリアスI2Cに対する耐性を強化するI2C安全ビット
- 物理的な特徴
- -40°C~+150°Cの接合部動作温度
- 35°C/W接合部-周囲熱抵抗
- 熱強化型FCQFN-52パッケージ
- 6mm x 6mmパッケージ寸法
アプリケーション
- ソリッド・ステート・ドライブ(SSD)
- バックアップ電源
- ホットプラグ機器
- 産業用アプリケーション
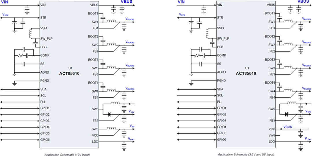
アプリケーション図
ブロック図
公開: 2020-02-03
| 更新済み: 2024-08-19

