Qorvo CMD316C3低ノイズアンプ
Qorvo CMD316C3低ノイズアンプは、ブロードバンド・モノリシック・マイクロ波集積回路(MMIC)で、6GHz~20GHzの周波数範囲を特徴とし、リードレス3mm2 表面実装パッケージに格納されています。Qorvo CMD316C3低ノイズアンプは、小型サイズと低電力消費が必要になる通信システムに最適です。このブロードバンドデバイスは、+15dBmの対応する出力1dB圧縮ポイントおよび2dBの雑音指数で20dBを超えるゲインを供給します。CMD316C3は、50Ωにマッチングされている設計が特徴で、外部DCブロックとRFポートのマッチングが不要です。特徴
- 周波数範囲: 6GHz~20GHz
- ゲイン:21dB
- ノイズ指数: 2dB
- 8dB入力リターン損失
- 12dB出力リターン損失
- 900mW電力散逸
- 15dBm P1dB出力
- 25dB IP3出力
- 100mA供給電流
- 動作温度範囲: -40°C~+85°C
- 3mm x 3mm QFNパッケージ
- 鉛フリー、RoHS準拠
アプリケーション
- Electronic warfare(EW)
- 衛星通信(Satcom)
- 試験および測定
- 宇宙
- 位相アレイ
- レーダー
- Cバンド
- Xバンド
- Kuバンド
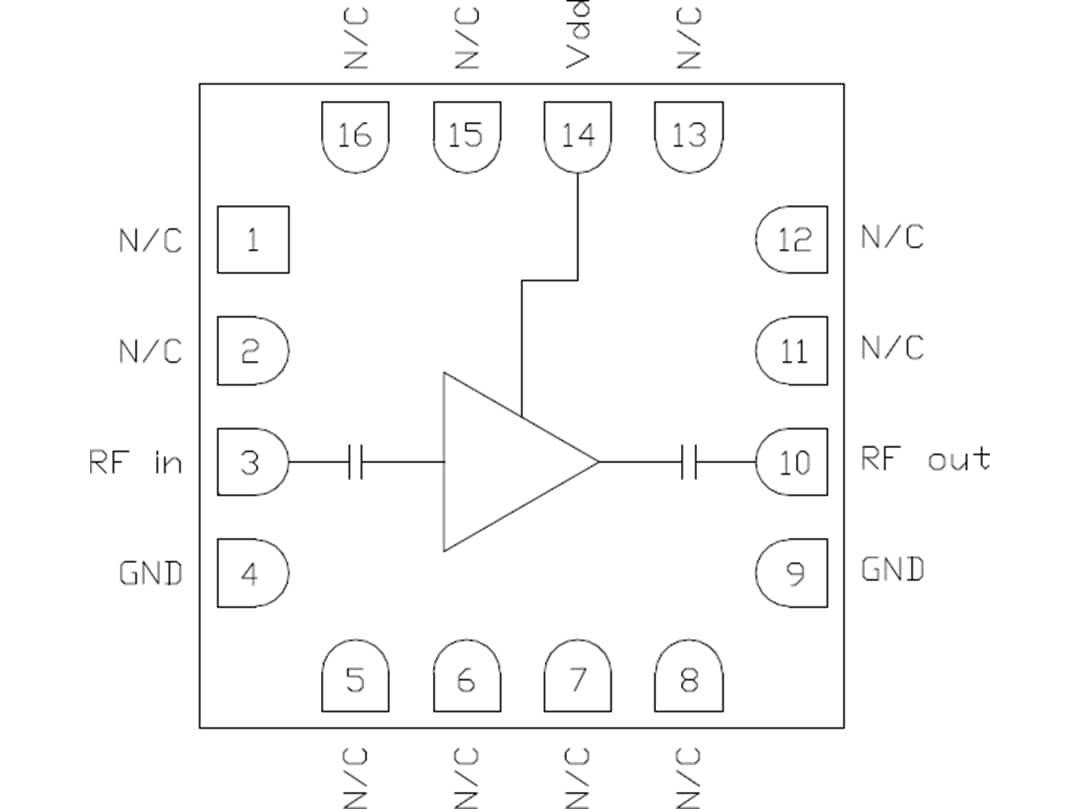
ブロック図
パッケージ外形
公開: 2020-06-02
| 更新済み: 2024-08-21
