Qorvo CMD319C3超低ノイズRFアンプ

QorvoCMD319C3 超低雑音RFアンプは、広帯域モノリシックマイクロ波集積回路(MMIC)低雑音アンプで、鉛を使用しない3mmx3mmの面実装 パッケージに収められています。このRFアンプは、小型( )で低消費電力が求められる電子戦(EW)や通信システムに最適です。CMD319C3 は、ブロードバンド性能を目的に最適化されており、10GHzで0.92dBの対応するノイズ指数で20dBのゲインを供給します。Qorvo CMD319C3アンプは、50Ω にマッチングされている設計で、外部DCブロックとRFポートのマッチングが不要です。

特徴

  • 超低雑音指数
  • 高ゲイン・ブロードバンド性能
  • 低消費電力
  • 無鉛RoHS準拠
  • 3mm x 3mm QFNパッケージ

アプリケーション

  • EW
  • Xバンドレーダー
  • 宇宙
  • 衛星通信(Satcom)
  • 位相アレイ

仕様

  • 周波数範囲: 8GHz~12GHz
  • 20dBゲイン
  • 0.92dBノイズ指数
  • 電源電流:30mA
  • ドレイン電圧:5.5Vdd
  • ゲート電圧:3.3Vgg
  • 電力損失:921mW
  • 70°C/W熱抵抗
  • 動作温度範囲:-40°C~+85°C

アプリケーション回路

アプリケーション回路図 - Qorvo CMD319C3超低ノイズRFアンプ

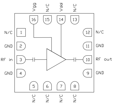
ブロック図

ブロック図 - Qorvo CMD319C3超低ノイズRFアンプ
公開: 2020-05-21 | 更新済み: 2024-09-03