Qorvo QPA1111パワーアンプ
Qorvo QPA1111 パワーアンプは、0.15 μm GaN-on-SiCプロセス(QGaN15)を使用して製造された、パッケージ型Xバンド高出力MMICアンプです。これらのアンプは、周波数8.5GHz~10.5GHzで動作し、保管温度は-55°C~150°Cです。QPA1111アンプは、飽和出力電力30W、電力負荷効率45%、小さな信号ゲイン38dBを備えています。これらのアンプは、直流グランドに接続されたI/Oポートを備え50Ω に完全整合し、最適なESD性能を実現します。また、システムインテグレーションを簡易化します。 QPA1111パワーアンプは、電気的仕様に関するコンプライアンスへの準拠を確実にするために直流およびRF試験を100%完了しています。レーダー、衛星通信、データリンクなどのアプリケーションに最適です。特徴
- 周波数範囲: 8.5GHz~10.5GHz
- POUT(PIN = 18dBm):45dBm
- PAE(PIN = 18dBm):45%
- 電力利得(PIN = 18dBm):27dBm
- 電力損失(PD):65W
- 小さな信号ゲイン 38dB
- 保管温度 -55°C~150°C
- バイアス:
- パルスVD = 22V
- IDQ = 620mA
- PW = 100μs
- DC = 10%
- VG = -2.3V(標準範囲)
- パッケージの寸法 6mm x 6mm x 0.85mm
- リードフリー、RoHS準拠
アプリケーション
- 衛星通信
- レーダー
- データリンク
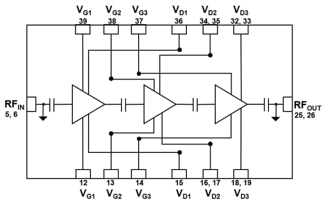
機能ブロック図
公開: 2024-09-20
| 更新済み: 2024-10-15
