Qorvo QPA2609D 7~14GHz低ノイズ・アンプ
Qorvo QPA2609D 7–14GHz低ノイズ・アンプには、Qorvoのプロダクション90nm PHEMTプロセス(QPHT09)で作成されたMMICアンプでの高性能が備わっています。QPA2609Dアンプには、27dB小信号ゲインおよび1.1dBノイズ指数が備わっています。このデバイスは、 18dBmのP1dBでの飽和電力20dBmを発揮し、2.4 x 1mmというコンパクトなサイズになっています。また、このデバイスは、低IMD3レベルの−50dBc @ Pout=0dBm/トーンも実現できます。簡単な取り扱いとシンプルなシステム統合が可能であり、両方のI/Oポートで50Ωの整合とDCブロッキング・コンデンサが組み合わされています。QPA2609Dは、衛星およびポイント・ツー・ポイント通信システムに最適です。特徴
- 周波数範囲: 7~14GHz
- ノイズ指数: 1.1dB(typ)
- 小信号ゲイン: 27dB(typ)
- P1dB: 18dBm(typ)
- IMD3: −50dBc(typ)(Pout=0dBm/トーン)
- バイアス: VD = 3.5V、IDQ = 120mA、VG = −0.46V(typ)
- ダイ寸法: 2.40 x 1.00 x 0.10mm
アプリケーション
- 衛星通信
- ポイント・ツー・ポイント通信
- レーダー
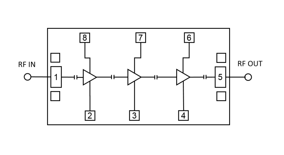
ブロック図
公開: 2018-09-14
| 更新済み: 2023-01-31
