Qorvo QPA3069 100W GaNパワーアンプ
Qorvo QPA3069 100W GaNパワーアンプは、パッケージ化されているハイパワーSバンドアンプで、軍事レーダーシステムに最適です。アンプは、2.7GHz~3.5GHzをカバーしており、炭化ケイ素(SiC)加工にあんる(QGaN25)Qorvoの生産0.25um窒化ガリウム(GaN)で製造されています。QPA3069は、50dBmの飽和出力電力および25dBの大信号ゲインを実現していると同時に、53%電力付加効率も達成しています。QPA3069は、7mm x7 mm 48ピン・プラスチックオーバーモールパッケージに梱包されています。QPA3069には、両方のRFポートにDC阻止コンデンサがあり、50Ωに整合しています。特徴
- 周波数範囲: 2.7GHz~3.5GHz
- パッケージ寸法: 7mm x 7mm x 0.85mm
- 2xチャンネル
- 117W電力損失
- 29.3dBゲイン
- 動作供給電圧:30V
- 動作温度範囲: -40°C~+85°C
仕様
- PSAT (PIN=25dBm): > 50dBm
- PAE (PIN=25dBm): > 53%
- 電力ゲイン (PIN=25dBm): > 25dB
- バイアス: VD= 0V、IDQ = 300mA、PIN=25dBm
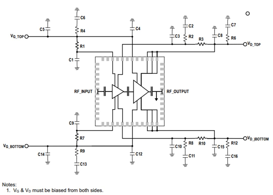
標準アプリケーション回路
ブロック図
公開: 2019-08-20
| 更新済み: 2023-11-28
