QPA9424EVB-01評価ボードには、QPA9424がすでに実装されており、コンパクトな7mm x 7mmのリードレス表面実装パッケージに収められています。この評価ボードは、サンプルアプリケーション回路を実現しており、既存の設計に組み込むとラピッドプロトタイピングが可能になります。
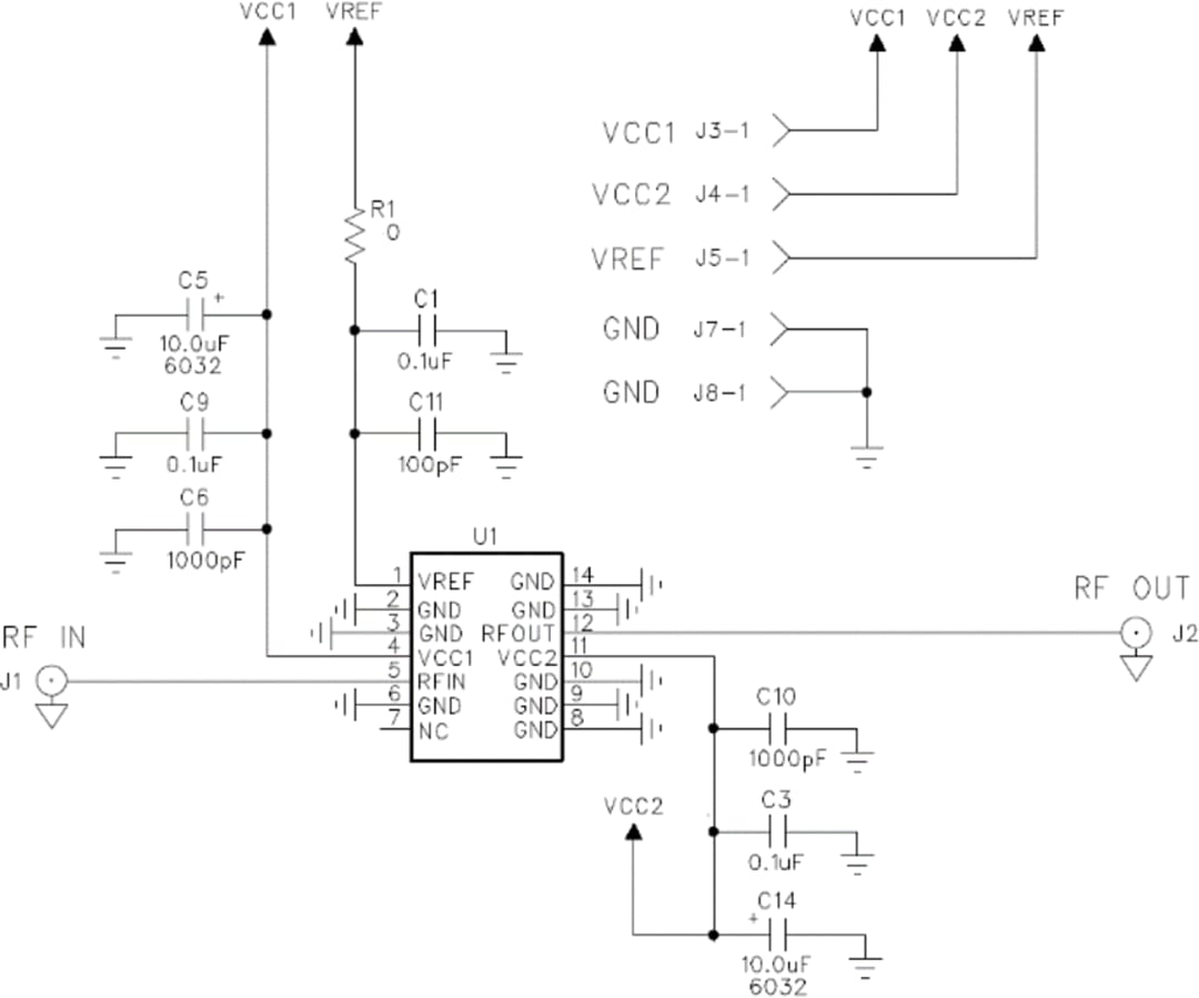
アプリケーション回路の概略図
ビデオ
公開: 2019-09-30
| 更新済み: 2023-12-01
日本|
日本円
インコタームズ:発注時に消費税が加算されたDDP All prices include duty and customs fees. ¥6,000 (JPY)を超えるほとんどのご注文で送料無料となります。 |
|
米国ドル
インコタームズ:FCA (発送場所) 関税、通関手数料、消費税は、商品お届け時にお支払いください。 $50 (USD)を超えるほとんどのご注文で送料無料となります。 |
QPA9424EVB-01評価ボードには、QPA9424がすでに実装されており、コンパクトな7mm x 7mmのリードレス表面実装パッケージに収められています。この評価ボードは、サンプルアプリケーション回路を実現しており、既存の設計に組み込むとラピッドプロトタイピングが可能になります。