Qorvo QPB8957 CATVダブラRFアンプ
QorvoQPB8957 CATVダブラRFアンプは、GaAs pHEMT/MESFET 75Ω ICで、28dB以上のフラットゲインと低ノイズが特徴です。このRFアンプは、わずか8.4Wを使用した高効率であってもノイズと歪みが低く抑えられており、40-pin 5mm x 7mm QFNパッケージに収められています。QPB8957ダブラ・アンプには、調整可能なバイアスと優れたコンポジット歪みがあります。コンパクト・サイズと低ϴJCのQPB8957アンプによって、ハイブリッド・モジュールまたはハイブリッド・モジュール・アプリケーションの代替品に最適です。一般的なアプリケーションには、DOCSIS 3.0、ブロードバンドCATVハイブリッド・モジュール、ヘッドエンドCMTS機器、75Ωアンプがあります。特徴
- 28dB @ 1003MHz高利得
- 調整可能なバイアス
- 帯域幅: 50MHz - 1003MHz
- 56dBmV/ch仮想1.0GHz、@ 15dBチルト
- 低ノイズ: 4.5dB
- 優れたコンポジット歪み
- pHEMT/MESFET機器技術
- コンパクトな40ピン5mm x 7mm QFNパッケージ
- 24V、350mA – 8.4Wの電力消費
- 動作温度範囲: -40°C~100°C
アプリケーション
- DOCSIS 3.1
- ブロードバンドCATVハイブリッドモジュール
- ヘッドエンドCMTS機器
- 75Ωアンプ
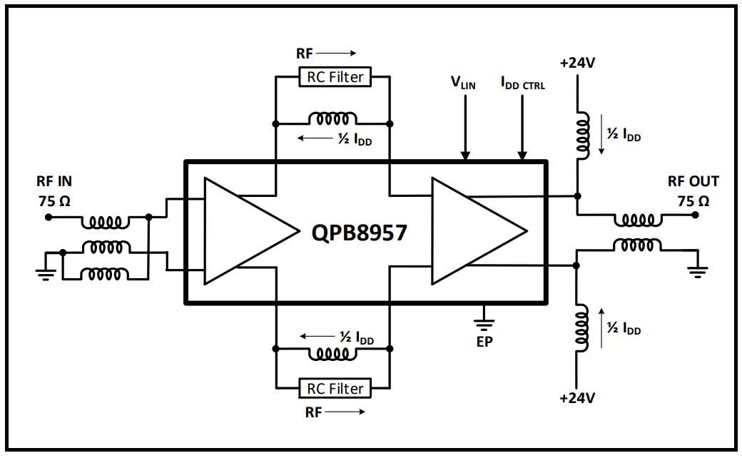
機能ブロック図
公開: 2019-03-11
| 更新済み: 2023-11-09
