Qorvo QPB8958 RFアンプ
Qorvo QPB8958 RFアンプは、GaAs擬似高電子移動度トランジスタ(pHEMT)/金属半導体電界効果トランジスタ(MESFET)で、75ΩプッシュプルRFアンプが搭載されています。これらのICは、24V単供給を使用してDOCSIS 3.1アプリケーション最高1218MHzまでをサポートするように設計されています。Qorvo QPB8958 RFアンプは、34dBのフラット・ゲインおよび4.5dB低ノイズが特徴です。また、このアップICには、効率性の高い低ノイズと低損失が備わっており、わずか5.8Wを消費し、5mm × 7mm QFNパッケージに収められています。アプリケーションには、DOCSIS 3.1、ブロードバンドCATVハイブリッド・モジュール、ヘッド・エンドCMTS機器、75Ωアンプがあります。特徴
- 34dB @ 1003MHzの高ゲイン
- 調整可能なバイアス
- 帯域幅: 50MHz~1003MHz
- 46dBmv/chフラット
- 4.5dB低ノイズ
- 優れたコンポジット歪み
- pHEMT/MESFET機器技術
- コンパクトなサイズの40ピン5mm × 7mm QFNパッケージ
- 260mAから5.8Wの電力消費
アプリケーション
- DOCSIS 3.1
- ブロードバンドCATVハイブリッドモジュール
- ヘッドエンドCMTS機器
- 75Ωアンプ
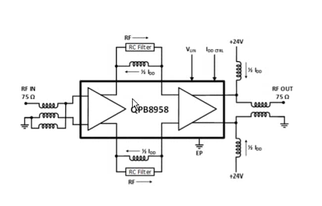
QPB8958の機能ブロック図
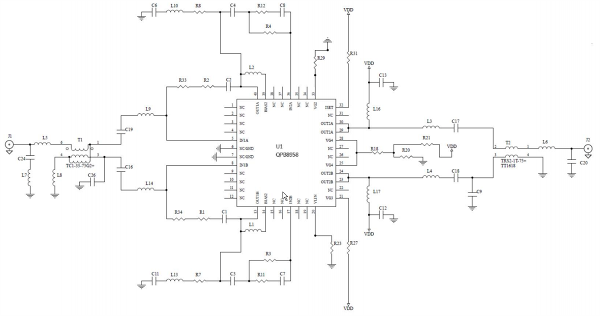
標準アプリケーション図
公開: 2018-11-15
| 更新済み: 2023-02-02
