Qorvo QPB9350 0.4GHz ~ 1.0GHzデュアルチャンネルRx DVGA
Qorvo QPB9350 0.4GHz ~ 1.0GHzデュアルチャネル Rx DVGAは、高性能マクロ基地局レシーバ用に設計されています。高度に統合されたQPB9350 Rxフロントエンドモジュールには、高性能第1段低ノイズアンプ (LNA) 、デジタルステップアテニュエータ (DSA) 、第2段LNAがデュアルチャンネル構成に組み合わされています。アンプのパワーダウン機能は、各チャンネルの専用シャットダウン・ピンから制御できます。LNAには、Qorvoの効率的なE-pHEMTプロセスが活用されており、第1段LNAを対象とした0.4dBノイズ指数を実現できます。ゲイン制御は、1dBステップで31dB範囲DSA経由で促進されます。Qorvo QPB9350は、RoHSに準拠したコンパクトな5mm x 5mm 32ピン表面実装リードレスパッケージに格納されています。
特徴
- 周波数範囲: 0.4GHz~1.0GHz
- LNA、DSAを統合
- デュアルチャンネル構成
- 統合シャットダウン機能
- LNA1 @ 0.4dB NF、23dBゲイン、37dBm OIP3
- 31dBゲイン制御範囲、1dBステップサイズ
- +5V 電源電圧
- SPI制御インターフェイス
- +1.8Vロジック互換
アプリケーション
- 無線インフラ
- ダイバーシティ受信器
- TDDまたはFDDシステム
仕様
- 保存温度: -55°C ~ 150°C
- +20dBm RF入力電力、CW、50Ω、T = 25°C
- -0.3V逆電源電圧
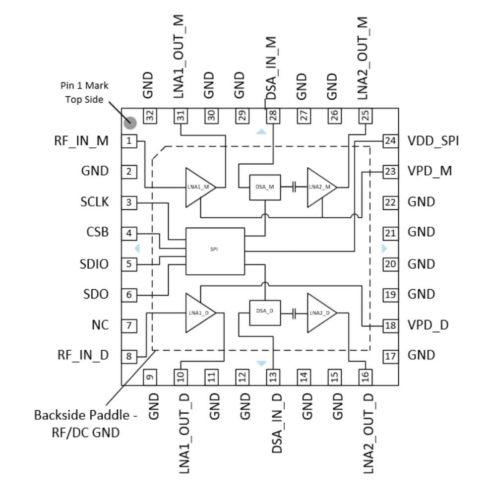
機能ブロック図
公開: 2024-05-26
| 更新済み: 2024-06-07
