Qorvo QPB9351 1.7GHz ~ 2.7GHzデュアルチャンネルRx VGA
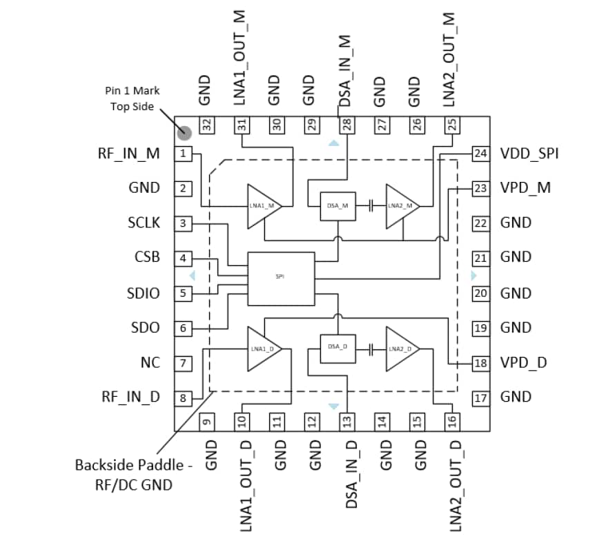
Qorvo QPB9351 1.7GHz ~ 2.7GHzデュアルチャネル Rx VGAは、高性能マクロ基地局レシーバ用に開発されています。高度に統合されたRxフロントエンドモジュールには、高性能第1段低ノイズアンプ (LNA) 、デジタルステップアテニュエータ (DSA) 、第2段LNAがデュアルチャンネル構成に組み合わされています。RX VGA SiP ( 受信可変ゲインアンプシステムインパッケージ)には、アンプのパワーダウン機能が備わっており、各チャンネルに専用のシャットダウンピン経由で制御できます。LNAには、Qorvoの高性能E-pHEMTプロセスが活用されており、第1段LNA向けに0.4dBノイズ指数を供給できます。ゲイン制御は、1dBステップで31dB範囲DSAを介して実装されています。QPB9351は、RoHS準拠のコンパクトな5mm x 5mm 32ピン表面実装リードレスパッケージでご用意があります。
特徴
- 周波数範囲: 1.7GHz~2.7GHz
- LNA、DSAを統合
- デュアルチャンネル構成
- 統合シャットダウン機能
- LNA1 @ 0.4dB NF、16.5dBゲイン、38dBm OIP3
- 31dBゲイン制御範囲、1dBステップサイズ
- +5V 電源電圧
- SPI制御インターフェイス
- +1.8V 論理
アプリケーション
- 無線インフラ
- ダイバーシティ受信器
- TDDまたはFDDシステム
機能ブロック図
公開: 2024-05-31
| 更新済み: 2024-06-07
