Qorvo QPC2040 X-Band GaN 10W SPDTスイッチは、3.0mm x 4.5mmプラスチック・オーバーモールド・クワッド・フラット・ノーリード(QFN)パッケージで販売されており、RoHSに準拠しています。
特徴
- 周波数範囲:8GHz~12GHz
- 10W入力電力
- 1.2dB挿入損失
- 30dB 絶縁(標準)
- RF入力電力
- 44.5dBm(PW = 100μ、DC = 25%、 50Ω、TBASE = 85°C)
- 43.0dBm(PW = 100μ、DC = 25%、 3:1 VSWR、TBASE = 85°C
- 35nsスイッチング速度
- 0V, -28V 制御電圧
- 75W消費電力損失
- 動作温度範囲:-40°C~+85°C
- 温度範囲:-55°C~+150°C
- 3.0mm x 4.5mm x 1.05mm QFNパッケージ
- ハロゲンフリー、リードフリー、RoHS準拠
アプリケーション
- 商用および防衛レーダー
- 通信機器
- 電子戦
ブロック図
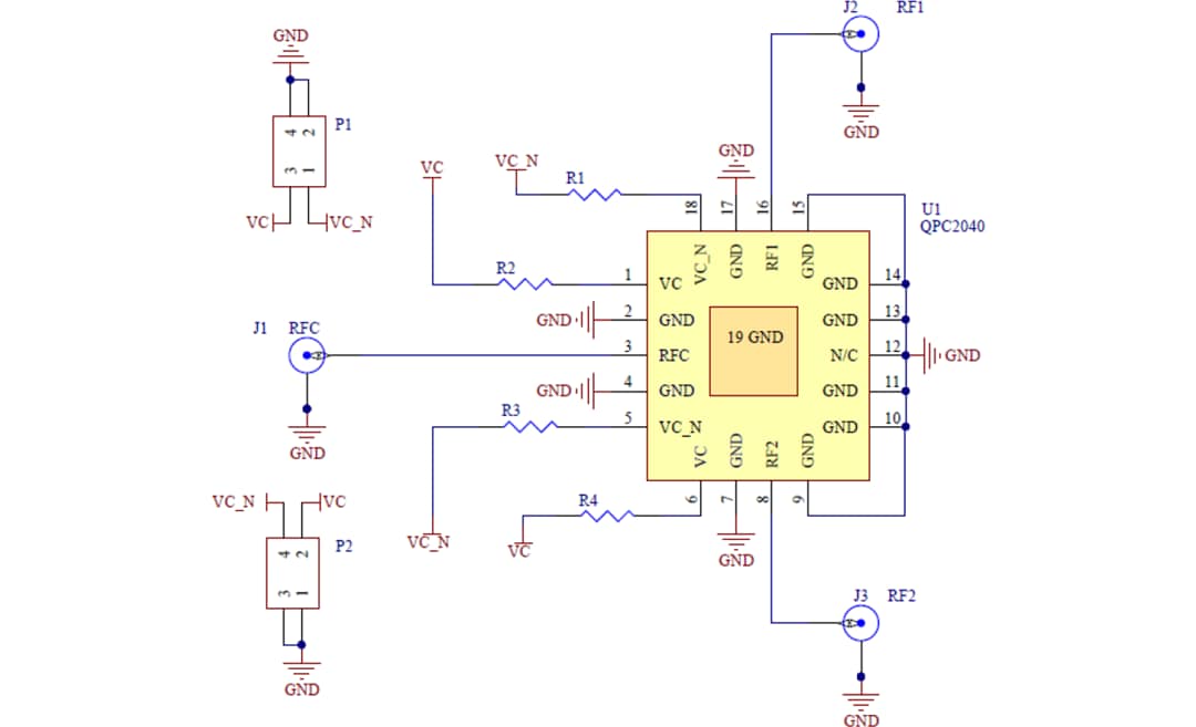
標準アプリケーション回路
公開: 2021-12-06
| 更新済み: 2022-03-11

