Qorvo QPC6742 RFスイッチIC
Qorvo QPC6742 RFスイッチICは、75Ω Silicon On Insulator(SOI)単極、四投(SP4T)スイッチです。QPC6742 RFスイッチICは、CATV、衛星セットトップ、その他の高性能通信システムでの使用を目的に設計されています。このQPC6742スイッチICには、優れた直線性および電力対応機能の高絶縁対象トポロジが備わっています。QPC6742 ICには、RFポートでのブロックキャップは不要です。このQPC6742スイッチICは、5MHz~2000MHzの周波数範囲で動作します。アプリケーションには、MDUアンプ、ポイントツーポイント、光学ノード、セットトップボックス、PCTV、マルチチューナDVRがあります。特徴
- 5MHz~2000MHz動作
- 800MHzで0.35dBの低挿入損失
- RFラインに電圧がかかっていない限り、ブロッキングコンデンサ不要
- 800MHzで34dBの高絶縁
- 高入力IP3 82dBm @ 850MHz
- 2kV ESD
- +1.8Vロジック互換
- 3V~5V動作
アプリケーション
- MDUアンプ
- ポイント・ツー・ポイント
- 光学ノード
- セットトップボックス
- PCTV
- マルチチューナーDVR
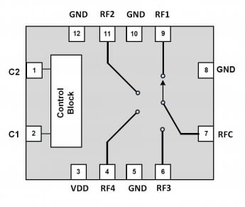
QPC6742 RFスイッチICの機能ブロック図
一般的な性能特性
その他の資料
公開: 2018-03-15
| 更新済み: 2023-01-30
