Qorvo QPC7334 RF開発ツール

Qorvo QPC7334 RF開発ツールは、5MHz~684MHz周波数帯域幅で動作するQPC7334可変イコライザを評価するように設計されています。これらのQorvoイコライザは、 低電力 消費で、 16dBスロープ および 低挿入損失になっています。

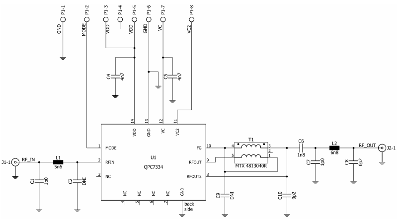
回路図

回路図 - Qorvo QPC7334 RF開発ツール
公開: 2020-05-08 | 更新済み: 2024-08-20