Qorvo QPC7335 RF開発ツール

Qorvo QPC7335 RF開発ツールは、45MHz〜1002MHz周波数帯域幅で動作するQPC7335可変イコライザを評価するように設計されています。これらのQorvoイコライザーは、 低電力消費 で、18dBスロープ 範囲 および低挿入損失になっています。

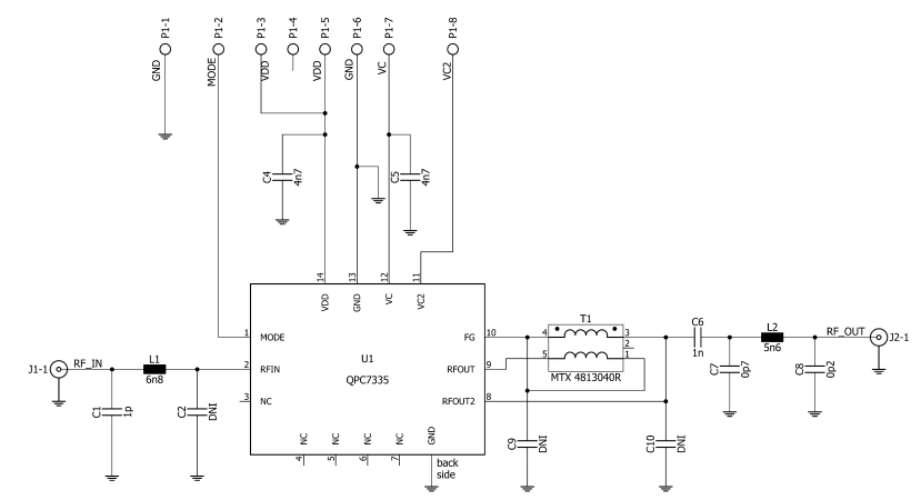
回路図

回路図 - Qorvo QPC7335 RF開発ツール
公開: 2020-05-11 | 更新済み: 2024-08-21