Qorvo QPC7336評価ボード

Qorvo QPC7336評価ボードは、QPC7336電圧制御可変イコライザの評価用に設計されています。このボードは、45MHz~1218 MHzの帯域幅で動作します。QPC7366評価ボードは、5Vの単電源電圧から動作します。また、この評価ボードとイコライザは、コミュニティアンテナテレビ(CATV)アンプと伝送システムのアプリケーションを検出します。

特徴

  • QPC7366可変イコライザを評価
  • 45MHz~1218MHz動作帯域幅
  • 5V単供給電圧

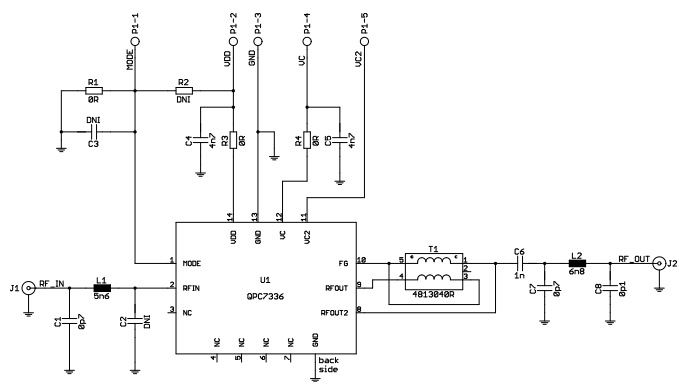
QPC7336評価ボードのスキーム図

Qorvo QPC7336評価ボード
公開: 2018-05-03 | 更新済み: 2023-01-31