Qorvo QPD1029L GaN RF IMFETトランジスタ
Qorvo QPD1029L GaN RF内部マッチングFETトランジスタ(IMFET)は、1500W(P3dB)ディスクリートGaN on SiC高電子移動度トランジスタ(HEMT)です。このRF IMFETは、1.2GHz~1.4GHzの周波数範囲で動作します。QPD1029Lトランジスタは、外部ボードのマッチングを容易にし、ボードスペースを節約します。このQorvoトランジスタは、RoHSに準拠したデバイスです。QPD1029L IMFETトランジスタは、業界スタンダードのエアキャビティパッケージで使用されており、レーダーに最適です。特徴
- 周波数範囲: 1.2GHz~1.4GHz
- 1500W出力電力(P3dB)@1.3GHz負荷プル
- 21.3dB線形ゲイン @1.3GHz負荷プル
- 75%(標準)PAE3dB @1.3GHz負荷プル
- 65Vの動作電圧
- 連続波(CW)およびパルス能力
アプリケーション
- L帯域レーダーアンプ
- レーダー
ブロック図
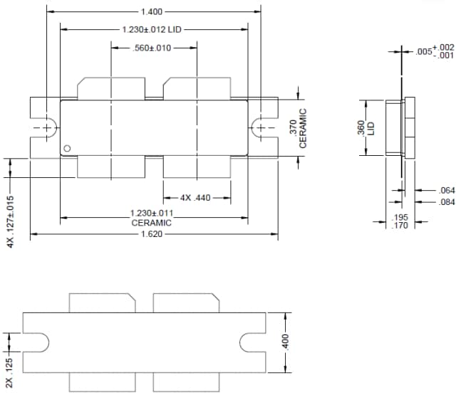
機械図面(インチ)
その他の資料
公開: 2020-07-20
| 更新済み: 2024-08-23
