Qorvo QPL7433は、低ノイズと低歪みに加えて高ゲインを備え、コンパクトな2mm x 2mmのDFNパッケージに収められており、スペースに制約のあるアプリケーションに最適です。
特徴
- 周波数範囲: 50MHz~3.3GHz
- 帯域幅全体で最大ゲイン17.5dB
- 5V、90mAで低消費電力
- 標準ノイズ指数:1.5dB
- 逆絶縁:20dB
- 出力リターン損失:15dB
- 外部抵抗器を使用した調整可能なバイアス
- 動作温度範囲: -40°C~+85°C
- -65°C~+150°Cストレージ温度範囲
- DFN-8パッケージの種類
- 寸法2mm x 2mm
- RoHS準拠
アプリケーション
- ケーブル、地上、衛星
- 拡張型スペクトルDOCSIS
- CATVノードとアンプ
- 衛星低ノイズアンプ
- ケーブルモデムとセットトップボックス
- シングルエンドゲイン・ブロック
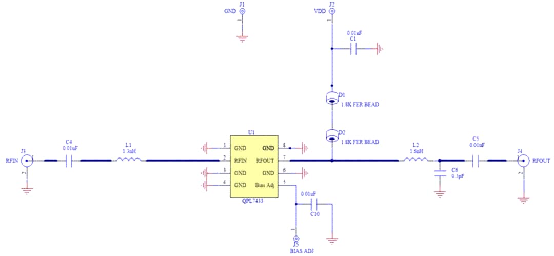
標準アプリケーション回路
ピン指定
パッケージ外形
公開: 2020-02-24
| 更新済み: 2024-09-06

