Qorvo QPL9057EVB1評価ボード

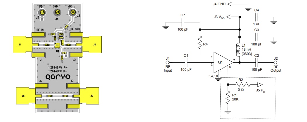
Qorvo QPL9057EVB1評価ボードは、QPL9057超低ノイズ・フラット・ゲイン・アンプを評価するように設計されています。この評価ボードは、0.6GHz~4.2GHzの周波数範囲で動作します。QPL9057EVB1評価ボードは、ボード損失の補填に役立つスルー・ラインで構成されています。R4レジスタは、電流の引き込み設定に使用され、必要なバイアス・ポイントに変更できます。

QPL9057EVB1評価ボードの概要

Qorvo QPL9057EVB1評価ボード

ビデオ

公開: 2018-12-05 | 更新済み: 2023-02-07