この設計により、外部から直流が印加されない限り、RF経路上の外部DC遮断コンデンサが不要となり、耐久性向上のため2000V HBM ESD耐性を備えています。これらのスイッチは、LTE、WCDMA、CDMA、CATV、SATV、ポストPA ルーティング、および汎用RFスイッチングアプリケーションに適しています。RFSW1012は、コンパクトな2mm × 2mm × 0.55mm 12ピンQFNプリケーションに格納されており、高性能と汎用性が求められるスペース制約のある設計に最適です。
特徴
- 5MHz~6,000MHz動作
- 50Ωまたは75Ωアプリケーション
- 小挿入損失0.30dBで1,980MHz
- 2GHzで37dBの高遮断性能
- 高>75dBm IP3 @ 2GHz
- 低電圧ロジックに対応(VHIGH 最小値 = 1.3V)
- DCが外部に適用されない限り、RFパスに外部DC遮断コンデンサは不要
- すべてのポートでの2,000V HBM ESD定格
- > 100dBc CTB/CSO (41dBmV/ch、137チャンネル)
- 12ピン2mmx2mmリードレスQFNパッケージ
アプリケーション
- LTE、WCDMA、GSM
- CATV、SATV
- ポストPAスイッチング
- 汎用スイッチング
仕様
- 50Ωシステム
- 動作周波数範囲:5MHz~6,000MHz
- 標準挿入損失範囲:0.25dB ~ 0.45dB
- 標準RFC-RFX絶縁範囲:21dB~45dB
- 標準RF1-RF2絶縁範囲:21dB~42dB
- オン状態の戻り損失(標準):15dB未満
- 75dBm標準入力IP3
- 標準入力IP2:129dBm
- 30dBm ~ 36dBm最大動作ピン範囲(50Ω 負荷)
- 100MHz未満で41dBm最小P0.1dB
- 最大2次および3次高調波:-75dBc
- 標準スプリアス出力範囲:<-105dbm ~="">-105dbm><>
- 34dBm~36dBm最高入力電力範囲
- デバイス電圧範囲:2.7V ~ 4.6V
- 最大リーク電流範囲:20µA ~ 200µA
- 最大制御電圧範囲:0.45V ~ 2.7V
- 最大制御電流範囲:3µA ~ 5µA
- 最大スイッチング速度:5μs
- 75Ωシステム
- 動作周波数範囲:5MHz~2,500MHz
- 挿入損失範囲:0.15dB ~ 0.45dB(標準)
- RFC-RFX絶縁範囲:26dB~70dB(標準)
- RF1-RF2絶縁範囲:32dB~ >70dB(標準)
- オン状態の戻り損失範囲:>13dB ~ >15dB(標準)
- 標準CSO> 100dBc(41dBmV/ch、137チャンネル)
- 標準CTB > 100dBc(41dBmV/ch、137チャンネル)
- 標準XMOD > 90dBc(41dBmV/ch、137チャンネル)
- 最大動作入力電力範囲(75Ω 負荷):30dBm ~ 36dBの
- 動作°ケース温度範囲:-40°C~+90°C
- +125°Cの最大接合部動作温度
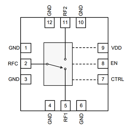
ブロック図
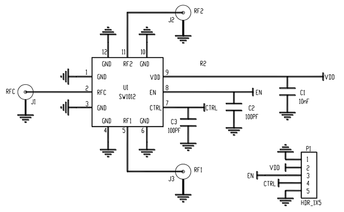
アプリケーション回路の概略図
公開: 2026-01-19
| 更新済み: 2026-01-26

