Qorvo TGA2962ワイドバンドパワーアンプ
Qorvo TGA2962ワイドバンドパワーアンプは、QorvoのQGaN15 GaN on Silicon Carbide(SiC)プロセスで製造されています。このアンプは、2GHz~20GHzの周波数帯域幅で動作するように設計されており、13dBの大信号ゲインで10Wの飽和電力を実現しています。TGA2962パワーアンプは、22Vドレインバイアスで22%の電力付加効率も実現しています。この広帯域、電力、ゲイン、効率性の組み合わせによって、サイズとコストを削減しながらシステム性能を向上させることができます。TGA2962アンプは、広帯域通信システム、軍事、電子戦、試験装置、レーダーアプリケーションに最適です。特徴
- 2GHz~20GHz周波数範囲
- 飽和電力: 10W
- 電力ゲイン:13dB(27dBm PIN)
- 小信号ゲイン:20dB
- > 40dBm PSAT (27dBm PIN)
- 電力付加効率:> 22%(27dBm PIN)
- 動作温度範囲:-40°C~+85°C
- バイアス:
- ドレイン電圧:22V(VD)
- ドレイン電流:1,680mA(IDQ)
- ダイ寸法:3.24mm x 3.24mm x 0.10mm
アプリケーション
- 通信システム
- 電子戦
- レーダー
- テスト装置
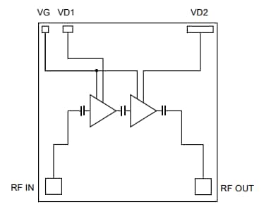
機能ブロック図
公開: 2020-02-27
| 更新済み: 2024-08-16
